- Pays
- Etats-Unis
- Fabricant / Marque
- Philco, Philadelphia Stg. Batt. Co.; USA
- Année
- 1960
- Catégorie
- Enrégistreur et/ou reproducteur son/video
- Radiomuseum.org ID
- 134655
Cliquez sur la vignette du schéma pour le demander en tant que document gratuit.
- No. de tubes
- 8
- Principe général
- Amplification audio
- Gammes d'ondes
- - sans
- Particularités
- Tourne disque / changeur (châssis)
- Tension / type courant
- Alimentation Courant Alternatif (CA) / 105-120 Volt
- Haut-parleur
- 6 HP / Ø 12 inch = 30.5 cm
- Puissance de sortie
- 40 W (qualité inconnue)
- Matière
- Boitier en bois
- De Radiomuseum.org
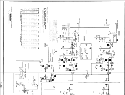
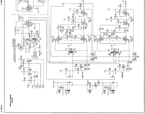
- Modèle: H-1716 - Philco, Philadelphia Stg. Batt
- Forme
- Console avec pieds bas < 50% de la hauteur
- Remarques
- Stereo phonograph with 12-inch woofer, two 5 1/4-inch midrange speakers, and two electrostatic tweeters.
- Schémathèque (1)
- Philco Home Radio Yearbook 1960
- Auteur
- Modèle crée par Thomas Albrecht. Voir les propositions de modification pour les contributeurs supplémentaires.
- D'autres Modèles
-
Vous pourrez trouver sous ce lien 4120 modèles d'appareils, 2228 avec des images et 3768 avec des schémas.
Tous les appareils de Philco, Philadelphia Stg. Batt. Co.; USA