Highboy 95
Philco, Philadelphia Stg. Batt. Co.; USA
- Country
- United States of America (USA)
- Manufacturer / Brand
- Philco, Philadelphia Stg. Batt. Co.; USA
- Year
- 1929/1930
- Category
- Broadcast Receiver - or past WW2 Tuner
- Radiomuseum.org ID
- 51247
Click on the schematic thumbnail to request the schematic as a free document.
- Number of Tubes
- 9
- Main principle
- TRF (Tuned-Radio-Frequency but use of regeneration unknown); Screengrid 1926-1935
- Tuned circuits
- 4 AM circuit(s)
- Wave bands
- Broadcast only (MW).
- Power type and voltage
- Alternating Current supply (AC) / 115 Volt
- Loudspeaker
- Electro Magnetic Dynamic LS (moving-coil with field excitation coil)
- Material
- Wooden case
- from Radiomuseum.org
- Model: Highboy 95 - Philco, Philadelphia Stg. Batt
- Shape
- Console, Highboy (legs > 50 %).
- Notes
-
Model 95 is a "Screen Grid Plus" model and was available in a table, lowboy, highboy, Tudor highboy, and deluxe highboy cabinet. The models were released in the fall of 1929. One dial (primary tuning control knob). Highboy cabinet is similar to models 76 and 87 highboys. The 9 tube chassis (for 95, 96 and 296) uses AVC Automatic Volume Control.
- Price in first year of sale
- 169.00 $
- External source of data
- Ernst Erb
- Source of data
- Radio Collector`s Guide 1921-1932
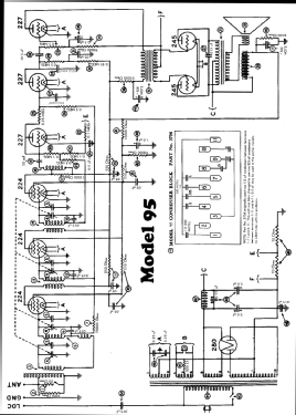
- Circuit diagram reference
- Rider's Perpetual, Volume 1 = 1931/1934 (for 1919-1931)
- Mentioned in
- Collector's Guide to Antique Radios 4. Edition
- Literature/Schematics (1)
- Pre-War Consoles (Philco 1928-36 Wiring Diagrams, Parts Lists, and Essential Service Data)
- Literature/Schematics (3)
- Philco Folder Form. 2120 for 1929.
- Other Models
-
Here you find 4120 models, 2228 with images and 3768 with schematics for wireless sets etc. In French: TSF for Télégraphie sans fil.
All listed radios etc. from Philco, Philadelphia Stg. Batt. Co.; USA
Collections
The model Highboy 95 is part of the collections of the following members.