- Produttore / Marca
- Philco, Philadelphia Stg. Batt. Co.; USA
- Anno
- 1958 ?
- Categoria
- Autoradio, eventualmente con registratore a cassette o giradischi
- Radiomuseum.org ID
- 348179
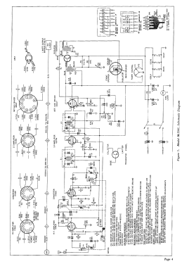
Clicca sulla miniatura dello schema per richiederlo come documento gratuito.
- Numero di tubi
- 4
- Numero di transistor
- 1
- Semiconduttori
- AR-12
- Principio generale
- Supereterodina con stadio RF; ZF/IF 262.5 kHz; 2 Stadi BF
- N. di circuiti accordati
- 7 Circuiti Mod. Amp. (AM)
- Gamme d'onda
- Solo onde medie (OM).
- Tensioni di funzionamento
- Batteria di accumulatori, per tutto (es. autoradio, radio amatoriali) / 14.4 Volt
- Altoparlante
- - Questo apparecchio richiede altoparlante/i esterno/i.
- Potenza d'uscita
- 1.2 W (qualità ignota)
- Materiali
- Mobile di metallo
- Radiomuseum.org
- Modello: M-5941 - Philco, Philadelphia Stg. Batt
- Forma
- Chassis o in scatola da montaggio
- Bibliografia
- - - Manufacturers Literature (Philco Auto Radio Service Manual M-5941 (FoMoCo No. 94PM), 1958)
- Letteratura / Schemi (1)
- Photofact Folder, Howard W. SAMS (Set 487, Folder 8, June 1960.)
- Autore
- Modello inviato da Ed Riley. Utilizzare "Proponi modifica" per inviare ulteriori dati.
- Altri modelli
-
In questo link sono elencati 4120 modelli, di cui 2227 con immagini e 3768 con schemi.
Elenco delle radio e altri apparecchi della Philco, Philadelphia Stg. Batt. Co.; USA