- Pays
- Etats-Unis
- Fabricant / Marque
- Philco, Philadelphia Stg. Batt. Co.; USA
- Année
- 1965 ?
- Catégorie
- Radio - ou tuner d'après la guerre 1939-45
- Radiomuseum.org ID
- 94084
Cliquez sur la vignette du schéma pour le demander en tant que document gratuit.
- No. de tubes
- 6
- Principe général
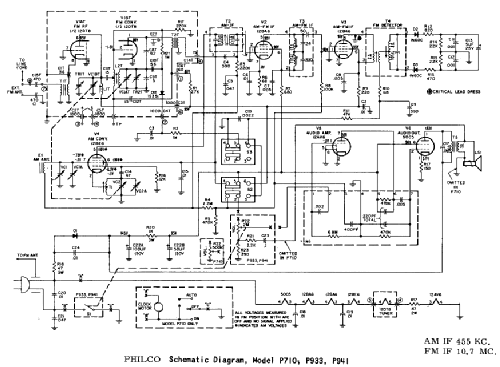
- Super hétérodyne (en général); FI/IF 455/10700 kHz
- Gammes d'ondes
- PO et FM
- Tension / type courant
- Appareil tous courants (CA / CC) / 120 Volt
- Haut-parleur
- HP dynamique à aimant permanent + bobine mobile
- Matière
- Plastique moderne (pas de bakélite, ni de catalin)
- De Radiomuseum.org
- Modèle: P941 - Philco, Philadelphia Stg. Batt
- Forme
- Modèle de table avec réveil ou horloge
- Source du schéma
- Beitman Radio Diagrams Vol. 26, 1966
- Auteur
- Modèle crée par Egon Penker. Voir les propositions de modification pour les contributeurs supplémentaires.
- D'autres Modèles
-
Vous pourrez trouver sous ce lien 4120 modèles d'appareils, 2228 avec des images et 3768 avec des schémas.
Tous les appareils de Philco, Philadelphia Stg. Batt. Co.; USA