UF3042F Seventeener II Ch= 8H25U
Philco, Philadelphia Stg. Batt. Co.; USA
- Country
- United States of America (USA)
- Manufacturer / Brand
- Philco, Philadelphia Stg. Batt. Co.; USA
- Year
- 1958
- Category
- Television Receiver (TV) or Monitor
- Radiomuseum.org ID
- 134152
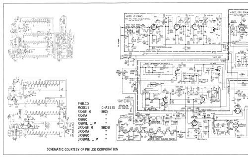
Click on the schematic thumbnail to request the schematic as a free document.
- Number of Tubes
- 15
- Valves / Tubes
- 5X8 2CY5 12AX4GTA 12DQ6A 1G3GT 5AM8 3BZ6 3BZ6 6AW8A 10DE7 6CG7 3AU6 3BN6 12CA5 17BWP4
- Main principle
- Superhet with RF-stage
- Wave bands
- Wave Bands given in the notes.
- Power type and voltage
- Alternating Current supply (AC) / 110 - 120 Volt
- Loudspeaker
- Permanent Magnet Dynamic (PDyn) Loudspeaker (moving coil)
- from Radiomuseum.org
- Model: UF3042F Seventeener II Ch= 8H25U - Philco, Philadelphia Stg. Batt
- Shape
- Tablemodel, with any shape - general.
- Notes
- The Philco UF3042F, Seventeener II, is a 17" b/w TV with US standard VHF tuner channels 2 thru 13, 14 thru 83 UHF. Equipped with chassis 8H25U and tuner T-69F.
- Source of data
- -- Original-techn. papers.
- Literature/Schematics (1)
- Photofact Folder, Howard W. SAMS (Date 8-58, Set 409, Folder 3)
- Literature/Schematics (2)
- Photofact Folder, Howard W. SAMS (Set 387 Folder 15-S dated 2-58)
- Author
- Model page created by a member from A. See "Data change" for further contributors.
- Other Models
-
Here you find 4120 models, 2227 with images and 3768 with schematics for wireless sets etc. In French: TSF for Télégraphie sans fil.
All listed radios etc. from Philco, Philadelphia Stg. Batt. Co.; USA