- País
- Estados Unidos
- Fabricante / Marca
- Philco, Philadelphia Stg. Batt. Co.; USA
- Año
- 1929/1930
- Categoría
- Radio - o Sintonizador pasado WW2
- Radiomuseum.org ID
- 51249
Haga clic en la miniatura esquemática para solicitarlo como documento gratuito.
- Numero de valvulas
- 9
- Principio principal
- RFS (Radio Frecuencia Sintonizada) en general; Screengrid 1926-1935
- Número de circuitos sintonía
- 4 Circuíto(s) AM
- Gama de ondas
- OM (onda media) solamente
- Tensión de funcionamiento
- Red: Corriente alterna (CA, Inglés = AC) / 115 Volt
- Altavoz
- Altavoz electrodinámico (bobina de campo)
- Material
- Metálico
- de Radiomuseum.org
- Modelo: 95 Table - Philco, Philadelphia Stg. Batt
- Forma
- Sobremesa, caja, normalmente con tapa (panel no inclinado).
- Anotaciones
- Model 95 was a "Screen Grid Plus" model and was available in a table, lowboy, highboy, Tudor highboy, and deluxe highboy cabinet. One dial (primary tuning control knob).
- Precio durante el primer año
- 97.00 $
- Ext. procedencia de los datos
- Ernst Erb
- Procedencia de los datos
- Radio Collector`s Guide 1921-1932
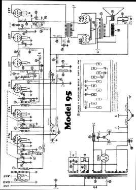
- Referencia esquema
- Rider's Perpetual, Volume 1 = 1931/1934 (for 1919-1931)
- Documentación / Esquemas (1)
- Philco Radio 1928-1942 (Philco 1928-36 Wiring Diagrams, Parts Lists, and Essential Service Data)
- Otros modelos
-
Donde encontrará 4120 modelos, 2227 con imágenes y 3768 con esquemas.
Ir al listado general de Philco, Philadelphia Stg. Batt. Co.; USA