UE2004F Ch= 7E11U
Philco, Philadelphia Stg. Batt. Co.; USA
- Pays
- Etats-Unis
- Fabricant / Marque
- Philco, Philadelphia Stg. Batt. Co.; USA
- Année
- 1956
- Catégorie
- Récepteur de télévision ou moniteur
- Radiomuseum.org ID
- 232290
Cliquez sur la vignette du schéma pour le demander en tant que document gratuit.
- No. de tubes
- 16
- Lampes / Tubes
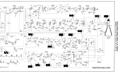
- 4BQ7A 2AF4A 5AT8 3BZ6 3BZ6 5AM8 6AW8A 5T8 6BY8 12CA5 7AU7 6CS7 12AX4GTA 25DN6 1X2B 14QP4A
- Principe général
- Super hétérodyne avec étage HF
- Gammes d'ondes
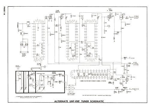
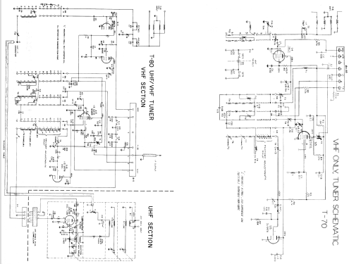
- VHF/UHF (voir details en note)
- Tension / type courant
- Alimentation Courant Alternatif (CA) / 60 cycles, 105 to 125 Volt
- Haut-parleur
- HP dynamique à aimant permanent + bobine mobile
- De Radiomuseum.org
- Modèle: UE2004F Ch= 7E11U - Philco, Philadelphia Stg. Batt
- Remarques
-
The Philco UE2004F is a 14" b/w TV with US standard VHF tuner channels 2 thru 13, 14 thru 83 UHF. Equipped with chassis 7E11U, UHF/VHF tuner T-80 and picture tube 14QP4A.
- Source
- - - Manufacturers Literature
- Schémathèque (1)
- - - Manufacturers Literature (Philco Service Manuals PR-3026, PR-3062)
- Schémathèque (2)
- Photofact Folder, Howard W. SAMS (Set 348 Folder 10 date 2-57)
- Auteur
- Modèle crée par John Kusching. Voir les propositions de modification pour les contributeurs supplémentaires.
- D'autres Modèles
-
Vous pourrez trouver sous ce lien 4120 modèles d'appareils, 2228 avec des images et 3768 avec des schémas.
Tous les appareils de Philco, Philadelphia Stg. Batt. Co.; USA