UE6204M Ch= TP51
Philco, Philadelphia Stg. Batt. Co.; USA
- Land
- USA
- Hersteller / Marke
- Philco, Philadelphia Stg. Batt. Co.; USA
- Jahr
- 1957 ?
- Kategorie
- Fernseh-Empfänger/Monitor
- Radiomuseum.org ID
- 310618
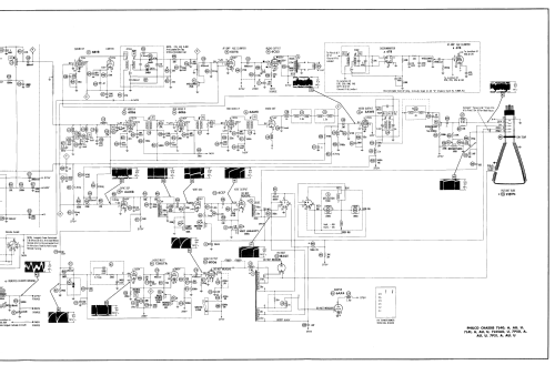
Klicken Sie auf den Schaltplanausschnitt, um diesen kostenlos als Dokument anzufordern.
- Anzahl Röhren
- 17
- Hauptprinzip
- Super mit HF-Vorstufe
- Wellenbereiche
- Wellen in den Bemerkungen.
- Betriebsart / Volt
- Wechselstromspeisung / 60 Hz, 117V = 110 -120 Volt
- Lautsprecher
- Dynamischer LS, keine Erregerspule (permanentdynamisch)
- Material
- Gerät mit Holzgehäuse
- von Radiomuseum.org
- Modell: UE6204M Ch= TP51 - Philco, Philadelphia Stg. Batt
- Form
- Standgerät auf hohen Beinen (Beine > 50 % der Gesamthöhe).
- Bemerkung
- 
        The Philco UE6204M is a 24" b/w TV with US standard VHF tuner channels 2 thru 13, 14 thru 83 UHF. Equipped with chassis 7P51, UHF/VHF tuner T-64 and picture tube 24ADP4. 
- Literatur/Schema (1)
- Photofact Folder, Howard W. SAMS (Set 362 Folder 7 dated 6-57)
- Autor
- Modellseite von Dirk Taekels angelegt. Siehe bei "Änderungsvorschlag" für weitere Mitarbeit.
- Weitere Modelle
- 
        Hier finden Sie 4120 Modelle, davon 2229 mit Bildern und 3768 mit Schaltbildern. 
 Alle gelisteten Radios usw. von Philco, Philadelphia Stg. Batt. Co.; USA
 
                
                
                
                
                
                
                
                
                
                
                
                
                
                
               