UE6602L Ch= TP51
Philco, Philadelphia Stg. Batt. Co.; USA
- Produttore / Marca
- Philco, Philadelphia Stg. Batt. Co.; USA
- Anno
- 1957 ?
- Categoria
- Televisore (TV) / Monitor
- Radiomuseum.org ID
- 310620
Clicca sulla miniatura dello schema per richiederlo come documento gratuito.
- Numero di tubi
- 17
- Principio generale
- Supereterodina con stadio RF
- Gamme d'onda
- Gamme d'onda nelle note.
- Tensioni di funzionamento
- Alimentazione a corrente alternata (CA) / 60 Hz, 117V = 110 -120 Volt
- Altoparlante
- AP magnetodinamico (magnete permanente e bobina mobile)
- Materiali
- Mobile in legno
- Radiomuseum.org
- Modello: UE6602L Ch= TP51 - Philco, Philadelphia Stg. Batt
- Forma
- Console, con gambe d'appoggio alte (> 50%).
- Annotazioni
-
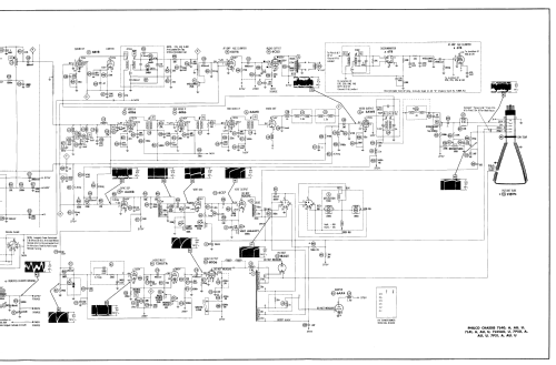
The Philco UE6602L is a 24" b/w TV with US standard VHF tuner channels 2 thru 13, 14 thru 83 UHF. Equipped with chassis 7P51, UHF/VHF tuner T-64 and picture tube 24ADP4.
- Letteratura / Schemi (1)
- Photofact Folder, Howard W. SAMS (Set 362 Folder 7 dated 6-57)
- Autore
- Modello inviato da Dirk Taekels. Utilizzare "Proponi modifica" per inviare ulteriori dati.
- Altri modelli
-
In questo link sono elencati 4120 modelli, di cui 2228 con immagini e 3768 con schemi.
Elenco delle radio e altri apparecchi della Philco, Philadelphia Stg. Batt. Co.; USA