UG3050AB Ch= 9H25U
Philco, Philadelphia Stg. Batt. Co.; USA
- Country
- United States of America (USA)
- Manufacturer / Brand
- Philco, Philadelphia Stg. Batt. Co.; USA
- Year
- 1958
- Category
- Television Receiver (TV) or Monitor
- Radiomuseum.org ID
- 211607
Click on the schematic thumbnail to request the schematic as a free document.
- Number of Tubes
- 17
- Valves / Tubes
- 6BR8A 3CY5 3AF4A 6AM8A 4DE6 4DE6 8AW8A 12AZ7A 4CS6 12ED5 2EN5 17D4 13DE7 9AU7 17DQ6A 1G3GT 17DAP4
- Main principle
- Superhet with RF-stage
- Wave bands
- VHF incl. FM and/or UHF (see notes for details)
- Power type and voltage
- Alternating Current supply (AC) / 105-120 Volt
- Loudspeaker
- Permanent Magnet Dynamic (PDyn) Loudspeaker (moving coil)
- from Radiomuseum.org
- Model: UG3050AB Ch= 9H25U - Philco, Philadelphia Stg. Batt
- Notes
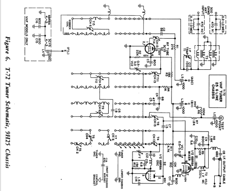
- The Philco UG3050AB is a 17" b/w TV with US standard VHF tuner channels 2 thru 13, 14 thru 83 UHF. Equipped with chassis 9H25U, VHF tuner T-73, UHF tuner T-28A and picture tube 17DAP4.
- Source of data
- - - Manufacturers Literature
- Author
- Model page created by John Kusching. See "Data change" for further contributors.
- Other Models
-
Here you find 4120 models, 2227 with images and 3768 with schematics for wireless sets etc. In French: TSF for Télégraphie sans fil.
All listed radios etc. from Philco, Philadelphia Stg. Batt. Co.; USA