UG4660S Ch= 9L60U
Philco, Philadelphia Stg. Batt. Co.; USA
- Country
- United States of America (USA)
- Manufacturer / Brand
- Philco, Philadelphia Stg. Batt. Co.; USA
- Year
- 1958
- Category
- Television Receiver (TV) or Monitor
- Radiomuseum.org ID
- 190592
Click on the schematic thumbnail to request the schematic as a free document.
- Number of Tubes
- 19
- Valves / Tubes
- 6X8 6BC8 6AF4A 6AM8 6DE6 6DE6 6CG7 6CG7 6DQ6A 6DT5 6AU6 12AZ7 12BV7 6BQ5 6CS6 6BY8 5U4GB 1G3GT 21EAP4
- Main principle
- Superhet with RF-stage
- Wave bands
- VHF incl. FM and/or UHF (see notes for details)
- Power type and voltage
- Alternating Current supply (AC) / 105 - 120 Volt
- Loudspeaker
- Permanent Magnet Dynamic (PDyn) Loudspeaker (moving coil)
- from Radiomuseum.org
- Model: UG4660S Ch= 9L60U - Philco, Philadelphia Stg. Batt
- Notes
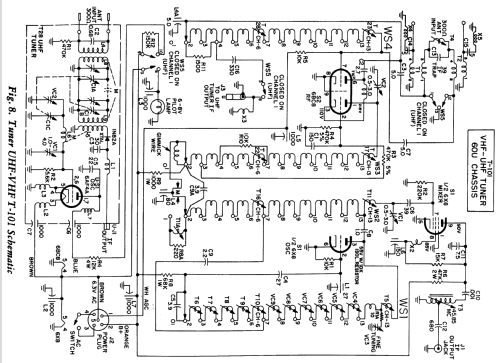
- The Philco UG4660S is a 21" b/w TV with US standard VHF tuner channels 2 thru 13, 14 thru 83 UHF. Equipped with chassis 9L60U, VHF tuner T-101, UHF tuner T-28 and picture tube 21EAP4.
- Literature/Schematics (1)
- Photofact Folder, Howard W. SAMS (Date 1-59, Set 429, Folder 1)
- Literature/Schematics (2)
- - - Manufacturers Literature
- Author
- Model page created by Egon Penker. See "Data change" for further contributors.
- Other Models
-
Here you find 4120 models, 2228 with images and 3768 with schematics for wireless sets etc. In French: TSF for Télégraphie sans fil.
All listed radios etc. from Philco, Philadelphia Stg. Batt. Co.; USA