UH4686SR Ch= 10L60UR
Philco, Philadelphia Stg. Batt. Co.; USA
- Pays
- Etats-Unis
- Fabricant / Marque
- Philco, Philadelphia Stg. Batt. Co.; USA
- Année
- 1959 ?
- Catégorie
- Récepteur de télévision ou moniteur
- Radiomuseum.org ID
- 143835
Cliquez sur la vignette du schéma pour le demander en tant que document gratuit.
- No. de tubes
- 19
- Lampes / Tubes
- 6BC8 6X8 6AF4A or 6AF4B 6DE6 6DE6 6AM8 12BV7 12AZ7 6BY8 6CS6 6BQ5 6CG7 6DT5 6CG7 6DQ6A 6AU4 1G3GT 5U4GB 21EAP4
- Principe général
- Super hétérodyne avec étage HF
- Gammes d'ondes
- VHF/UHF (voir details en note)
- Tension / type courant
- Alimentation Courant Alternatif (CA) / 105 - 120 Volt
- Haut-parleur
- 3 HP
- De Radiomuseum.org
- Modèle: UH4686SR Ch= 10L60UR - Philco, Philadelphia Stg. Batt
- Remarques
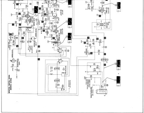
- The Philco UH4686SR is a 21" b/w TV with US standard VHF tuner channels 2 thru 13, 14 thru 83 UHF. Equipped with chassis 10L60UR, VHF tuner T-101C, UHF tuner T-28D and picture tube 21EAP4. Also has Remote Control Unit, model RC50.
Sams photofact set 476 folder 2 date 3-60 features the Philco models H4686S, H4686SL with chassis 10L60, the models H4686SLR, H4686SR, H6636SLR, H6636SR, H6636SWR with chassis 10L60R, the models UH4686S, UH4686SL with chassis 10L60U, the models UH4686SR, UH4686SLR, UH6636LR, UH6636SR, UH6636SWR with chassis 10L60UR as the same schematic.
- Schémathèque (1)
- Photofact Folder, Howard W. SAMS (Set 476 folder 2 date 3-60)
- Schémathèque (2)
- - - Manufacturers Literature
- Auteur
- Modèle crée par Peter Hoddow. Voir les propositions de modification pour les contributeurs supplémentaires.
- D'autres Modèles
-
Vous pourrez trouver sous ce lien 4120 modèles d'appareils, 2229 avec des images et 3768 avec des schémas.
Tous les appareils de Philco, Philadelphia Stg. Batt. Co.; USA