UH6636SLR Ch= 10L60UR
Philco, Philadelphia Stg. Batt. Co.; USA
- Land
- USA
- Hersteller / Marke
- Philco, Philadelphia Stg. Batt. Co.; USA
- Jahr
- 1959 ?
- Kategorie
- Fernseh-Empfänger/Monitor
- Radiomuseum.org ID
- 143841
Klicken Sie auf den Schaltplanausschnitt, um diesen kostenlos als Dokument anzufordern.
- Anzahl Röhren
- 19
- Röhren
- 6BC8 6X8 6AF4A or 6AF4B 6DE6 6DE6 6AM8 12BV7 12AZ7 6BY8 6CS6 6BQ5 6CG7 6DT5 6CG7 6DQ6A 6AU4 1G3GT 5U4GB 21EAP4
- Hauptprinzip
- Super mit HF-Vorstufe
- Wellenbereiche
- VHF/UHF (siehe Bemerkungen)
- Betriebsart / Volt
- Wechselstromspeisung / 105 - 120 Volt
- Lautsprecher
- 3 Lautsprecher
- von Radiomuseum.org
- Modell: UH6636SLR Ch= 10L60UR - Philco, Philadelphia Stg. Batt
- Bemerkung
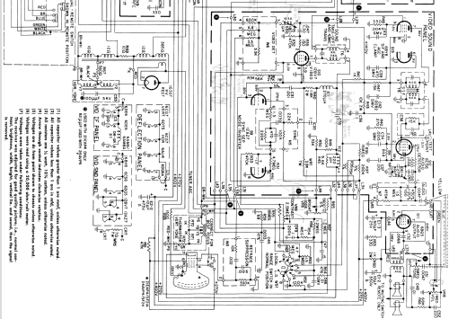
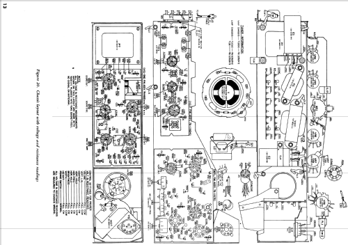
- The Philco UH6636SLR is a 21" b/w TV with US standard VHF tuner channels 2 thru 13, 14 thru 83 UHF. Equipped with chassis 10L60UR, VHF tuner T-101C, UHF tuner T-28D and picture tube 21EAP4. Also has Remote Control Unit, model RC50.
Sams photofact set 476 folder 2 date 3-60 features the Philco models H4686S, H4686SL with chassis 10L60, the models H4686SLR, H4686SR, H6636SLR, H6636SR, H6636SWR with chassis 10L60R, the models UH4686S, UH4686SL with chassis 10L60U, the models UH4686SR, UH4686SLR, UH6636LR, UH6636SR, UH6636SWR with chassis 10L60UR as the same schematic.
- Literatur/Schema (1)
- Photofact Folder, Howard W. SAMS (Set 476 folder 2 date 3-60)
- Literatur/Schema (2)
- - - Manufacturers Literature
- Autor
- Modellseite von Peter Hoddow angelegt. Siehe bei "Änderungsvorschlag" für weitere Mitarbeit.
- Weitere Modelle
-
Hier finden Sie 4120 Modelle, davon 2227 mit Bildern und 3768 mit Schaltbildern.
Alle gelisteten Radios usw. von Philco, Philadelphia Stg. Batt. Co.; USA