- Country
- United States of America (USA)
- Manufacturer / Brand
- Philco, Philadelphia Stg. Batt. Co.; USA
- Year
- 1948/1949
- Category
- Car Radio, perhaps also + sound player/recorder
- Radiomuseum.org ID
- 51607
Click on the schematic thumbnail to request the schematic as a free document.
- Number of Tubes
- 6
- Main principle
- Superhet with RF-stage; ZF/IF 455 kHz; 2 AF stage(s)
- Tuned circuits
- 7 AM circuit(s)
- Wave bands
- Broadcast only (MW).
- Power type and voltage
- Storage Battery for all (e.g. for car radios and amateur radios) / 6 Volt
- Loudspeaker
- Electro Magnetic Dynamic LS (moving-coil with field excitation coil) / Ø 6.7 inch = 17 cm
- Material
- Metal case
- from Radiomuseum.org
- Model: UN6-550 - Philco, Philadelphia Stg. Batt
- Shape
- Chassis only or for «building in»
- Notes
- This model is equipped with a vibrator for the generation of B+.
- External source of data
- Ernst Erb
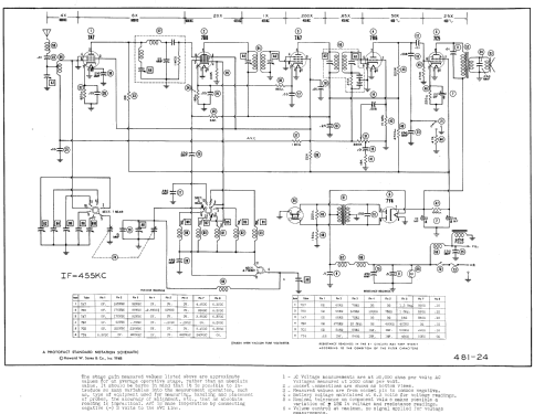
- Circuit diagram reference
- Rider's Perpetual, Volume 18 = 1949 and before
- Mentioned in
- Radio College of Canada (Philco Datasheets 229-235)
- Literature/Schematics (1)
- Photofact Folder, Howard W. SAMS (Date 1-48, Set 31, Folder 24)
- Other Models
-
Here you find 4126 models, 2230 with images and 3774 with schematics for wireless sets etc. In French: TSF for Télégraphie sans fil.
All listed radios etc. from Philco, Philadelphia Stg. Batt. Co.; USA