- Country
- United States of America (USA)
- Manufacturer / Brand
- Philharmonic Radio Corp.; (where?)
- Year
- 1952 ?
- Category
- Television Receiver (TV) or Monitor
- Radiomuseum.org ID
- 356544
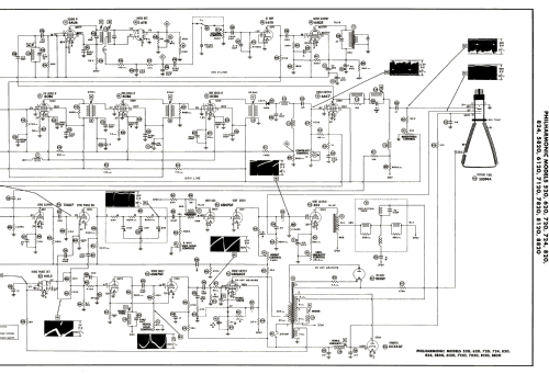
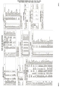
Click on the schematic thumbnail to request the schematic as a free document.
- Number of Tubes
- 19
- Valves / Tubes
- 6CB6 or 6AQ5 or 6BC5 6J6 6CB6 6CB6 6CB6 6AC7 6AU6 6T8 6AQ5 12AU7 6SN7GT 6S4 6AL5 6SN7GT 6BQ6GT 6AX4GT 1B3GT 5U4G 20DP4A
- Main principle
- Superhet with RF-stage
- Wave bands
- Wave Bands given in the notes.
- Power type and voltage
- Alternating Current supply (AC) / 60Hz, 117V=110-120 Volt
- Loudspeaker
- Permanent Magnet Dynamic (PDyn) Loudspeaker (moving coil)
- Material
- Wooden case
- from Radiomuseum.org
- Model: 6120 - Philharmonic Radio Corp.;
- Shape
- Tablemodel, with any shape - general.
- Notes
-
Philharmonic model 6120 is a 20” b/w TV with US standard VHF tuner channels 2 thru 13. Equipped with a VHF tuner and picture tube 20DP4A.
- Literature/Schematics (1)
- Photofact Folder, Howard W. SAMS (Set 173, folder 10, dated 7-52)
- Author
- Model page created by Dirk Taekels. See "Data change" for further contributors.
- Other Models
-
Here you find 50 models, 36 with images and 49 with schematics for wireless sets etc. In French: TSF for Télégraphie sans fil.
All listed radios etc. from Philharmonic Radio Corp.; (where?)