- Produttore / Marca
- Philharmonic Radio Corp.; (where?)
- Anno
- 1952 ?
- Categoria
- Televisore (TV) / Monitor
- Radiomuseum.org ID
- 356542
Clicca sulla miniatura dello schema per richiederlo come documento gratuito.
- Numero di tubi
- 19
- Valvole
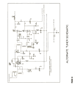
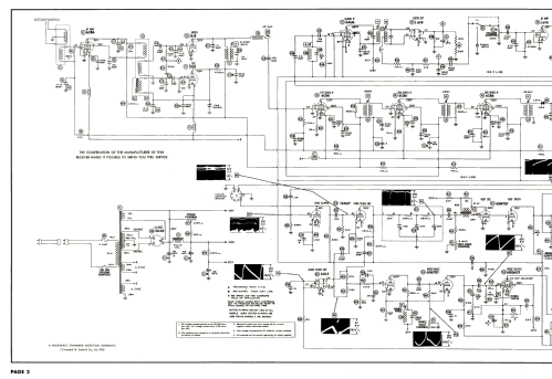
- 6CB6 or 6AQ5 or 6BC5 6J6 6CB6 6CB6 6CB6 6AC7 6AU6 6T8 6AQ5 12AU7 6SN7GT 6S4 6AL5 6SN7GT 6BQ6GT 6AX4GT 1B3GT 5U4G 20DP4A
- Principio generale
- Supereterodina con stadio RF
- Gamme d'onda
- Gamme d'onda nelle note.
- Tensioni di funzionamento
- Alimentazione a corrente alternata (CA) / 60Hz, 117V=110-120 Volt
- Altoparlante
- AP magnetodinamico (magnete permanente e bobina mobile)
- Materiali
- Mobile in legno
- Radiomuseum.org
- Modello: 820 - Philharmonic Radio Corp.;
- Forma
- Soprammobile con qualsiasi forma (non saputo).
- Annotazioni
-
Philharmonic model 820 is a 20” b/w TV with US standard VHF tuner channels 2 thru 13. Equipped with a VHF tuner and picture tube 20DP4A.
- Letteratura / Schemi (1)
- Photofact Folder, Howard W. SAMS (Set 173, folder 10, dated 7-52)
- Autore
- Modello inviato da Dirk Taekels. Utilizzare "Proponi modifica" per inviare ulteriori dati.
- Altri modelli
-
In questo link sono elencati 50 modelli, di cui 36 con immagini e 49 con schemi.
Elenco delle radio e altri apparecchi della Philharmonic Radio Corp.; (where?)