- Country
- Australia
- Manufacturer / Brand
- Philips Australia
- Year
- 1952–1955
- Category
- Broadcast Receiver - or past WW2 Tuner
- Radiomuseum.org ID
- 192707
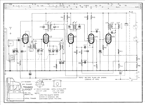
Click on the schematic thumbnail to request the schematic as a free document.
- Number of Tubes
- 5
- Main principle
- Superhet with RF-stage; ZF/IF 455 kHz; 2 AF stage(s)
- Tuned circuits
- 7 AM circuit(s)
- Wave bands
- Broadcast only (MW).
- Power type and voltage
- Dry Batteries / 2 x 45 & 1.5 Volt
- Loudspeaker
- Permanent Magnet Dynamic (PDyn) Loudspeaker (moving coil)
- Material
- Metal case
- from Radiomuseum.org
- Model: 134 - Philips Australia
- Shape
- Portable set > 8 inch (also usable without mains)
- Notes
-
Aluminium case, bakelite end plates.
See also Mullard model MBS1051.
- Price in first year of sale
- 37.80 AUS £
- Circuit diagram reference
- Australian Official Radio Service Manual Vol. XI
- Literature/Schematics (1)
- - - Manufacturers Literature (Philips Radioplayer, February 1954.)
- Literature/Schematics (2)
- Australian Official Radio Service Manual AORSM (Volume 11, 1953, Page 254.)
- Author
- Model page created by Stuart Irwin. See "Data change" for further contributors.
- Other Models
-
Here you find 916 models, 723 with images and 438 with schematics for wireless sets etc. In French: TSF for Télégraphie sans fil.
All listed radios etc. from Philips Australia