22GF651 /00 /04 /00H /04H
Philips; Eindhoven (tubes international!); Miniwatt
- Country
- Netherlands
- Manufacturer / Brand
- Philips; Eindhoven (tubes international!); Miniwatt
- Year
- 1972 ??
- Category
- Sound/Video Recorder and/or Player
- Radiomuseum.org ID
- 171797
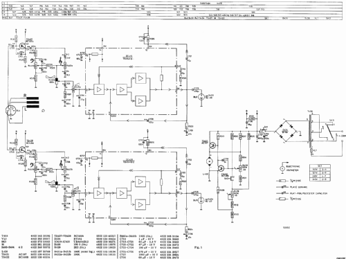
Click on the schematic thumbnail to request the schematic as a free document.
- Number of Transistors
- 4
- Main principle
- Audio-Amplification
- Wave bands
- - without
- Details
- Rec.Player+Audio.Amp+LS
- Power type and voltage
- Alternating Current supply (AC) / 110; 127; 220; 240 Volt
- Loudspeaker
- 2 Loudspeakers
- Power out
- 6 W (unknown quality)
- Material
- Plastics (no bakelite or catalin)
- from Radiomuseum.org
- Model: 22GF651 /00 /04 /00H /04H - Philips; Eindhoven tubes
- Shape
- Tablemodel, low profile (big size).
- Notes
- With record changer 22GC051.
- Source of data
- -- Original-techn. papers.
- Author
- Model page created by a member from D. See "Data change" for further contributors.
- Other Models
-
Here you find 5280 models, 4428 with images and 3461 with schematics for wireless sets etc. In French: TSF for Télégraphie sans fil.
All listed radios etc. from Philips; Eindhoven (tubes international!); Miniwatt