- Country
- Netherlands
- Manufacturer / Brand
- Philips; Eindhoven (tubes international!); Miniwatt
- Year
- 1970 ??
- Category
- Broadcast Receiver - or past WW2 Tuner
- Radiomuseum.org ID
- 80279
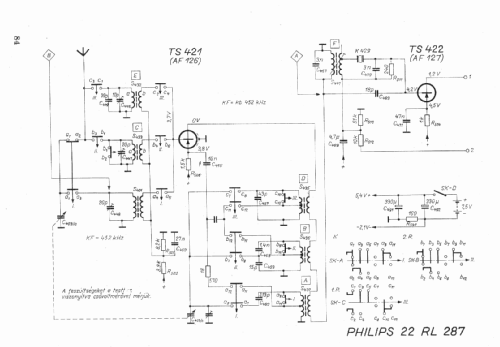
Click on the schematic thumbnail to request the schematic as a free document.
- Number of Transistors
- 7
- Semiconductors
- Main principle
- Superheterodyne (common); ZF/IF 452 kHz
- Wave bands
- Broadcast plus 2 Short Wave bands.
- Power type and voltage
- Dry Batteries / 5 x 1,5 Volt
- Loudspeaker
- Permanent Magnet Dynamic (PDyn) Loudspeaker (moving coil)
- Material
- Plastics (no bakelite or catalin)
- from Radiomuseum.org
- Model: 22RL287 - Philips; Eindhoven tubes
- Shape
- Portable set > 8 inch (also usable without mains)
- Dimensions (WHD)
- 268 x 160 x 55 mm / 10.6 x 6.3 x 2.2 inch
- Source of data
- -- Original-techn. papers.
- Literature/Schematics (1)
- Radio es Televizio Vevö keszülekek 1970-71
- Author
- Model page created by Hugo Sneyers. See "Data change" for further contributors.
- Other Models
-
Here you find 5280 models, 4428 with images and 3461 with schematics for wireless sets etc. In French: TSF for Télégraphie sans fil.
All listed radios etc. from Philips; Eindhoven (tubes international!); Miniwatt