22RN564 /00 /29
Philips; Eindhoven (tubes international!); Miniwatt
- Paese
- Olanda
- Produttore / Marca
- Philips; Eindhoven (tubes international!); Miniwatt
- Anno
- 1967 ?
- Categoria
- Autoradio, eventualmente con registratore a cassette o giradischi
- Radiomuseum.org ID
- 241995
Clicca sulla miniatura dello schema per richiederlo come documento gratuito.
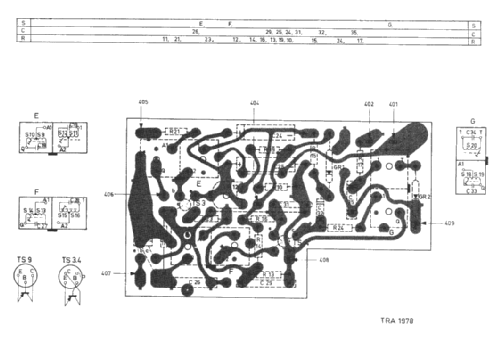
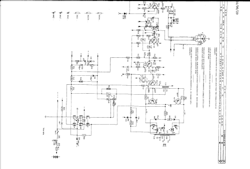
- Numero di transistor
- 11
- Principio generale
- Supereterodina (in generale); ZF/IF 452 kHz; 4 Stadi BF
- N. di circuiti accordati
- 9 Circuiti Mod. Amp. (AM)
- Gamme d'onda
- Onde medie (OM), lunghe (OL) e corte (OC).
- Tensioni di funzionamento
- Batteria di accumulatori, per tutto (es. autoradio, radio amatoriali) / 6; 12 Volt
- Altoparlante
- - Questo apparecchio richiede altoparlante/i esterno/i.
- Potenza d'uscita
- 4 W (qualità ignota)
- Materiali
- Mobile di metallo
- Radiomuseum.org
- Modello: 22RN564 /00 /29 - Philips; Eindhoven tubes
- Forma
- Chassis o in scatola da montaggio
- Dimensioni (LxAxP)
- 181 x 54 x 178 mm / 7.1 x 2.1 x 7 inch
- Annotazioni
-
- AM radio.
- LW: 150 - 260 kHz.
- BC: 517 - 1622 kHz.
- SW: 5.9 - 6.25 MHz (49m band).
- Amplifier: 1 x 4 Watt.
- Power supply can be set with switches for:
- 6V (negative to earth).
- 12V (negative or positive to earth).
- The difference between /00 and /29 is the tuning scale and the function of the push buttons on the front of the radio.
- AM radio.
- Letteratura / Schemi (1)
- -- Original-techn. papers.
- Autore
- Modello inviato da Radiomuseum Olen Museum. Utilizzare "Proponi modifica" per inviare ulteriori dati.
- Altri modelli
-
In questo link sono elencati 5279 modelli, di cui 4427 con immagini e 3461 con schemi.
Elenco delle radio e altri apparecchi della Philips; Eindhoven (tubes international!); Miniwatt
Collezioni
Il modello fa parte delle collezioni dei seguenti membri.