259(B,V)
Philips Radios - Deutschland
- Hersteller / Marke
- Philips Radios - Deutschland
- Jahr
- 1939/1940
- Kategorie
- Rundfunkempfänger (Radio - oder Tuner nach WW2)
- Radiomuseum.org ID
- 7256
-
- Marke: Deutsche Philips-Ges.
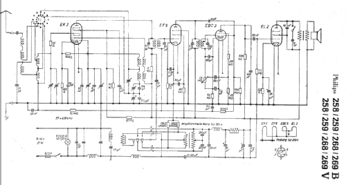
Klicken Sie auf den Schaltplanausschnitt, um diesen kostenlos als Dokument anzufordern.
- Anzahl Röhren
- 4
- Hauptprinzip
- Superhet allgemein; ZF/IF 468 kHz
- Wellenbereiche
- Langwelle, Mittelwelle (LW+MW).
- Betriebsart / Volt
- Akku und/oder Batterie / 6/12 Volt
- Lautsprecher
- Dynamischer LS, keine Erregerspule (permanentdynamisch)
Die GFGF Zeitschrift Funkgeschichte bringt interessante Artikel zu Radios, Funkwesen und Medien. Bei Radiomuseum.org finden Sie die vollständigen Hefte früherer Ausgaben als PDF zum Download.
- von Radiomuseum.org
- Modell: 259 - Philips Radios - Deutschland
- Bemerkung
- Ch=258,268,269
- Datenherkunft
- Radiokatalog Band 1, Ernst Erb
- Schaltungsnachweis
- Lange+Schenk+FS-Röhrenbestückung
- Weitere Modelle
-
Hier finden Sie 2548 Modelle, davon 2260 mit Bildern und 1565 mit Schaltbildern.
Alle gelisteten Radios usw. von Philips Radios - Deutschland