- Country
- Netherlands
- Manufacturer / Brand
- Philips; Eindhoven (tubes international!); Miniwatt
- Year
- 1935
- Category
- Broadcast Receiver - or past WW2 Tuner
- Radiomuseum.org ID
- 26932
Click on the schematic thumbnail to request the schematic as a free document.
- Number of Tubes
- 6
- Main principle
- Superheterodyne (common); ZF/IF 115 kHz
- Tuned circuits
- 7 AM circuit(s)
- Wave bands
- Broadcast (MW) and Long Wave.
- Power type and voltage
- Alternating Current supply (AC) / 103-253 Volt
- Loudspeaker
- Permanent Magnet Dynamic (PDyn) Loudspeaker (moving coil)
- Material
- Wooden case
- from Radiomuseum.org
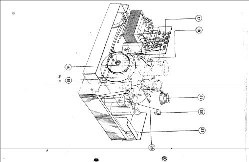
- Model: 582A - Philips; Eindhoven tubes
- Source of data
- -- Original-techn. papers.
- Author
- Model page created by Iven Müller. See "Data change" for further contributors.
- Other Models
-
Here you find 5279 models, 4427 with images and 3461 with schematics for wireless sets etc. In French: TSF for Télégraphie sans fil.
All listed radios etc. from Philips; Eindhoven (tubes international!); Miniwatt