90AN413 /00
Philips, Singapore
- Country
- Singapore
- Manufacturer / Brand
- Philips, Singapore
- Year
- 1981 ?
- Category
- Car Radio, perhaps also + sound player/recorder
- Radiomuseum.org ID
- 321401
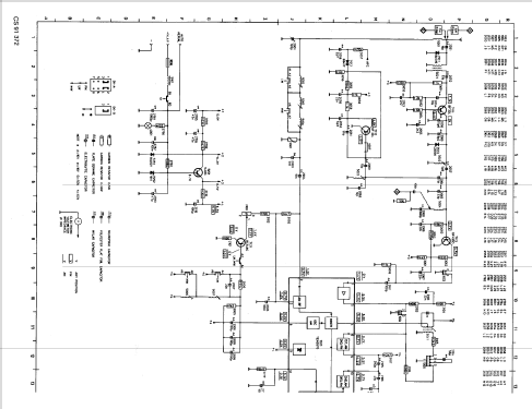
Click on the schematic thumbnail to request the schematic as a free document.
- Number of Transistors
- 5
- Semiconductors
- BF324 BF324 BF495 BC548 1402C TDA1001 TDA1010 TEA5570 1N4001 1N60P CDG00 BA315 BB417 BZX79
- Main principle
- Superheterodyne (common); ZF/IF 468/10700 kHz
- Wave bands
- Broadcast, Long Wave and FM or UHF.
- Power type and voltage
- Storage Battery for all (e.g. for car radios and amateur radios) / 12 Volt
- Loudspeaker
- - This model requires external speaker(s).
- Power out
- 4.8 W (unknown quality)
- Material
- Metal case
- from Radiomuseum.org
- Model: 90AN413 /00 - Philips, Singapore
- Shape
- Chassis only or for «building in»
- Dimensions (WHD)
- 180 x 43 x 110 mm / 7.1 x 1.7 x 4.3 inch
- Mentioned in
- -- Original-techn. papers.
- Author
- Model page created by Gidi Verheijen. See "Data change" for further contributors.
- Other Models
-
Here you find 112 models, 111 with images and 35 with schematics for wireless sets etc. In French: TSF for Télégraphie sans fil.
All listed radios etc. from Philips, Singapore