Cassetta 22RN582 1969
Philips Radios - Deutschland
- Paese
- Germania
- Produttore / Marca
- Philips Radios - Deutschland
- Anno
- 1969–1973
- Categoria
- Autoradio, eventualmente con registratore a cassette o giradischi
- Radiomuseum.org ID
- 27865
-
- Brand: Deutsche Philips-Ges.
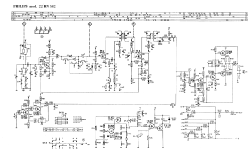
Clicca sulla miniatura dello schema per richiederlo come documento gratuito.
- Numero di transistor
- 13
- Semiconduttori
- BF194 BF195 BF195 BC149 BC148 BC149 AC128 AD161 AD162 BC148 BC148 BC148 AD162 AA119 AA119 AA119 BA114 BA114 BA114 OA90 BZY63
- Principio generale
- Supereterodina con stadio RF; ZF/IF 460 kHz
- N. di circuiti accordati
- 7 Circuiti Mod. Amp. (AM)
- Gamme d'onda
- Onde medie (OM) e onde lunghe (OL).
- Particolarità
- Registratore o riprod a cassett
- Tensioni di funzionamento
- Batteria di accumulatori, per tutto (es. autoradio, radio amatoriali) / 12 Volt
- Altoparlante
- - Questo apparecchio richiede altoparlante/i esterno/i.
- Materiali
- Mobile di metallo
- Radiomuseum.org
- Modello: Cassetta 22RN582 [1969] - Philips Radios - Deutschland
- Forma
- Chassis o in scatola da montaggio
- Dimensioni (LxAxP)
- 178 x 46 x 132 mm / 7 x 1.8 x 5.2 inch
- Annotazioni
-
Abgestimmte HF-Vorstufe; Stop am Bandende mit Umschaltung auf Rundfunkempfang.
The list of all semiconductors is the same as in the present schematic and has been transcribed with the same layout as in the schematic. TS1, TS2, TS101 etc.
This Car Radio Cassette has about the same schematic of 22 RN 582 1968, with only some Diodes different
- Peso netto
- 1.750 kg / 3 lb 13.7 oz (3.855 lb)
- Prezzo nel primo anno
- 325.00 DM
- Fonte esterna dei dati
- erb
- Fonte dei dati
- Handbuch VDRG 1969/1970
- Bibliografia
- Handbuch VDRG 1972/1973
- Letteratura / Schemi (1)
- -- Schematic (Schemario Radio Autoradio Mangianastri edizioni "Il Rostro" Italy, marzo 1971.)
- Altri modelli
-
In questo link sono elencati 2548 modelli, di cui 2260 con immagini e 1565 con schemi.
Elenco delle radio e altri apparecchi della Philips Radios - Deutschland