- Country
- Japan
- Manufacturer / Brand
- Philips Electronics Japan, Ltd.; Tokyo
- Year
- 1985
- Category
- Sound/Video Recorder and/or Player
- Radiomuseum.org ID
- 175198
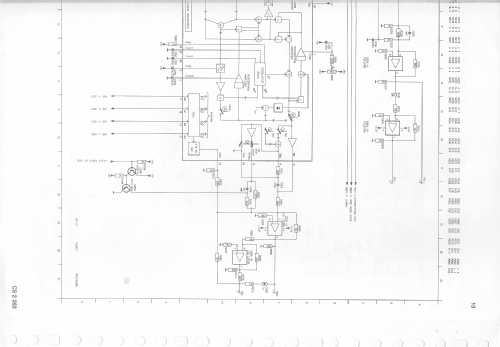
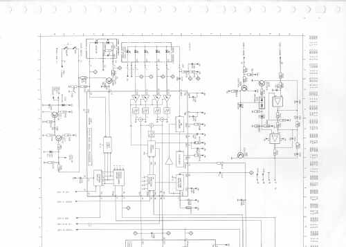
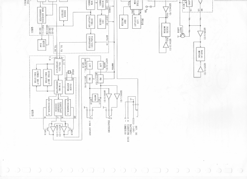
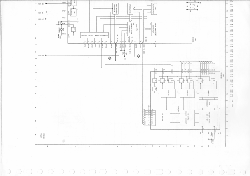
Click on the schematic thumbnail to request the schematic as a free document.
- Number of Transistors
- Semiconductors present.
- Semiconductors
- Main principle
- Audio-Amplification
- Wave bands
- - without
- Details
- CD-Player, -Writer, MD, MOD (audio)
- Power type and voltage
- Powered by external power supply or a main unit. / 9 Volt
- Loudspeaker
- Permanent Magnet Dynamic (PDyn) Loudspeaker (moving coil)
- Material
- Metal case
- from Radiomuseum.org
- Model: CD-10/00 - Philips Electronics Japan, Ltd
- Shape
- Portable set > 8 inch (also usable without mains)
- Dimensions (WHD)
- 125 x 45 x 140 mm / 4.9 x 1.8 x 5.5 inch
- Notes
- Fornito con alimentatore c.a. 220 V ca. = 9 V DC. tipo AC 10/00.
- Net weight (2.2 lb = 1 kg)
- 0.740 kg / 1 lb 10.1 oz (1.63 lb)
- Literature/Schematics (1)
- -- Original-techn. papers.
- Author
- Model page created by Adriano Scarpa. See "Data change" for further contributors.
- Other Models
-
Here you find 25 models, 25 with images and 11 with schematics for wireless sets etc. In French: TSF for Télégraphie sans fil.
All listed radios etc. from Philips Electronics Japan, Ltd.; Tokyo
Collections
The model is part of the collections of the following members.