Space Saver Radio Clock D3996 /00 /02 /08
Philips Hong Kong
- País
- Hong Kong
- Fabricante / Marca
- Philips Hong Kong
- Año
- 1987 ?
- Categoría
- Radio - o Sintonizador pasado WW2
- Radiomuseum.org ID
- 143587
Haga clic en la miniatura esquemática para solicitarlo como documento gratuito.
- Numero de transistores
- 7
- Semiconductores
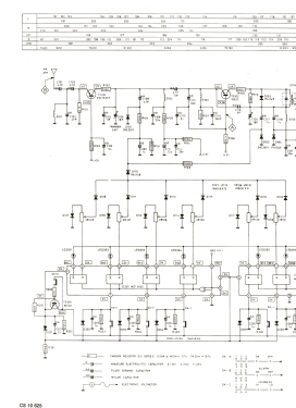
- 2SC1923 ED1502 2SC1923 TDA1220 µPC1212 CS9014 ED1802 2SC1815 2SA950 CD4042 CD4042 SVC251 FV1043 1N4148 1N60
- Principio principal
- Superheterodino con paso previo de RF; ZF/IF 10700 kHz
- Gama de ondas
- Solamente FM
- Especialidades
- Radio with other functions
- Tensión de funcionamiento
- Pilas + jack (etc.) para alimentación externa. / D: 4 x 1.5 & AA: 1 x 1.5 / DC 6 Volt
- Altavoz
- Altavoz dinámico (de imán permanente) / Ø 10 cm = 3.9 inch
- Material
- Plástico moderno (Nunca bakelita o catalina)
- de Radiomuseum.org
- Modelo: Space Saver Radio Clock D3996 /00 /02 /08 - Philips Hong Kong
- Forma
- Formas varias descritas en notas aparte.
- Ancho, altura, profundidad
- 280 x 45 x 165 mm / 11 x 1.8 x 6.5 inch
- Anotaciones
-
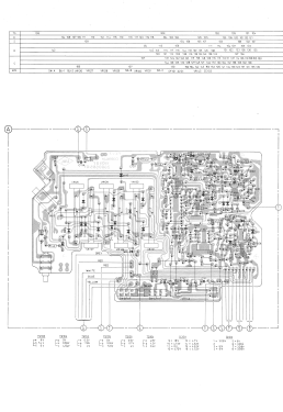
Philips D3996 ist ein Uhrenradio speziell zum Unterbau an Küchen-Hängeschränken usw., Frequenzbereich 87.5 bis 108 MHz, 6 analoge FM-Speicherplätze, über Folientasten und CMOS-Logik abrufbar. Einstellbarer Timer/Alarm über Analog-Quarzuhr.
Ausgang für Lautsprecher/Kopfhörer über 3,5 mm Klinkenbuchse.
Netzgerät 6 V im Lieferumfang enthalten, zusätzlich für Uhr 1,5 V Batterie Typ R6E (AA) erforderlich, Wurfantenne, Halterahmen für Anbau.
Jeder Diodentyp ist einmal gelistet.
- Peso neto
- 1.5 kg / 3 lb 4.9 oz (3.304 lb)
- Documentación / Esquemas (1)
- -- Original-techn. papers.
- Autor
- Modelo creado por Karlheinz Fischer. Ver en "Modificar Ficha" los participantes posteriores.
- Otros modelos
-
Donde encontrará 103 modelos, 102 con imágenes y 32 con esquemas.
Ir al listado general de Philips Hong Kong
Colecciones
El modelo Space Saver Radio Clock es parte de las colecciones de los siguientes miembros.