- Paese
- Olanda
- Produttore / Marca
- Philips; Eindhoven (tubes international!); Miniwatt
- Anno
- 1980 ??
- Categoria
- Radio (o sintonizzatore del dopoguerra WW2)
- Radiomuseum.org ID
- 170381
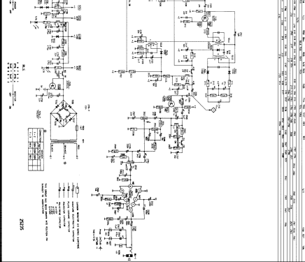
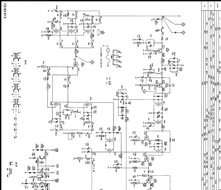
Clicca sulla miniatura dello schema per richiederlo come documento gratuito.
- Numero di transistor
- 8
- Principio generale
- Supereterodina (in generale); ZF/IF 468/10700 kHz
- Gamme d'onda
- Onde medie (OM), lunghe (OL), corte (OC) e MF (FM).
- Tensioni di funzionamento
- Rete / Batterie (ogni tipo) / 220 / 6 x 1,5 Volt
- Altoparlante
- 3 altoparlanti
- Potenza d'uscita
- 3 W (qualità ignota)
- Materiali
- Plastica (non bachelite o catalina)
- Radiomuseum.org
- Modello: D-2814 /00 - Philips; Eindhoven tubes
- Forma
- Apparecchio portatile > 20 cm (senza la necessità di una rete)
- Annotazioni
-
Each semiconductor type listed once.
- Fonte dei dati
- -- Original-techn. papers.
- Autore
- Modello inviato da Miguel Bravo-Cos. Utilizzare "Proponi modifica" per inviare ulteriori dati.
- Altri modelli
-
In questo link sono elencati 5278 modelli, di cui 4426 con immagini e 3461 con schemi.
Elenco delle radio e altri apparecchi della Philips; Eindhoven (tubes international!); Miniwatt