Hi-Fi Amplifier A6393 /30
Philips; Eindhoven (tubes international!); Miniwatt
- Paese
- Olanda
- Produttore / Marca
- Philips; Eindhoven (tubes international!); Miniwatt
- Anno
- 1980
- Categoria
- Amplificatore audio o mixer audio
- Radiomuseum.org ID
- 208099
Clicca sulla miniatura dello schema per richiederlo come documento gratuito.
- Numero di transistor
- 26
- Semiconduttori
- Principio generale
- Amplificatore audio
- Gamme d'onda
- - senza
- Tensioni di funzionamento
- Alimentazione a corrente alternata (CA) / 110; 220 Volt
- Altoparlante
- - Questo apparecchio richiede altoparlante/i esterno/i.
- Potenza d'uscita
- 40 W (qualità ignota)
- Materiali
- Mobile di metallo
- Radiomuseum.org
- Modello: Hi-Fi Amplifier A6393 /30 - Philips; Eindhoven tubes
- Forma
- Apparecchio per ripiani a scaffale (come i componibili HiFi).
- Dimensioni (LxAxP)
- 420 x 105 x 312 mm / 16.5 x 4.1 x 12.3 inch
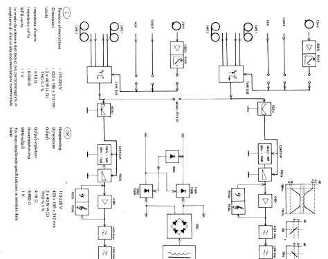
- Letteratura / Schemi (1)
- -- Original-techn. papers.
- Autore
- Modello inviato da Eduard Abfalterer. Utilizzare "Proponi modifica" per inviare ulteriori dati.
- Altri modelli
-
In questo link sono elencati 5280 modelli, di cui 4428 con immagini e 3461 con schemi.
Elenco delle radio e altri apparecchi della Philips; Eindhoven (tubes international!); Miniwatt