Hi-Fi Phono-Cassette-Receiver TAPC-6972 /13
Philips; Eindhoven (tubes international!); Miniwatt
- Paese
- Olanda
- Produttore / Marca
- Philips; Eindhoven (tubes international!); Miniwatt
- Anno
- 1980 ?
- Categoria
- Radio (o sintonizzatore del dopoguerra WW2)
- Radiomuseum.org ID
- 208938
Clicca sulla miniatura dello schema per richiederlo come documento gratuito.
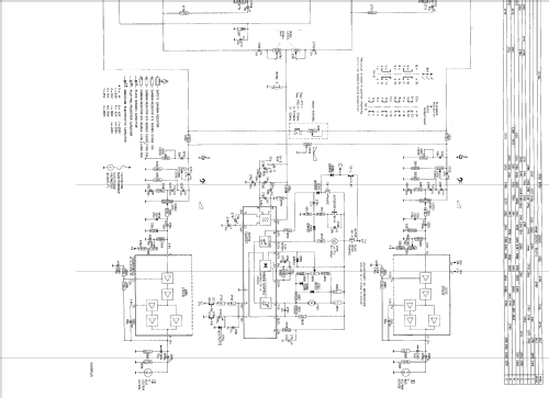
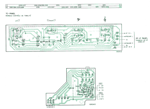
- Numero di transistor
- 17
- Principio generale
- Supereterodina (in generale); ZF/IF 452/10700 kHz
- Gamme d'onda
- Onde medie (OM), lunghe (OL) e MF (FM).
- Particolarità
- Altre combinaz. - vedere le nota; Hi-Fi equipment
- Tensioni di funzionamento
- Alimentazione a corrente alternata (CA) / 127; 220; 240 Volt
- Altoparlante
- - Questo apparecchio richiede altoparlante/i esterno/i.
- Materiali
- Plastica (non bachelite o catalina)
- Radiomuseum.org
- Modello: Hi-Fi Phono-Cassette-Receiver TAPC-6972 /13 - Philips; Eindhoven tubes
- Forma
- Apparecchio per ripiani a scaffale (come i componibili HiFi).
- Annotazioni
- Hi-Fi combination with radio-cassette player and turntable.
Wave bands:
LW: 150 - 255 kHz.
MW: 520 - 1605 kHz.
FM: 87.5 - 104 MHz.
Tape speed: 4.76 cm/sec.
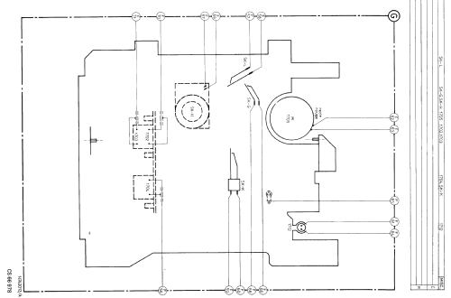
Turntable type 22GC024/50, speeds: 33 - 45 rpm.
One semiconductor per type listed.
- Letteratura / Schemi (1)
- -- Original-techn. papers.
- Autore
- Modello inviato da Eduard Abfalterer. Utilizzare "Proponi modifica" per inviare ulteriori dati.
- Altri modelli
-
In questo link sono elencati 5278 modelli, di cui 4426 con immagini e 3461 con schemi.
Elenco delle radio e altri apparecchi della Philips; Eindhoven (tubes international!); Miniwatt