HiFi Stereo Power Amplifier F4238 /00
Philips; Eindhoven (tubes international!); Miniwatt
- Land
- Niederlande
- Hersteller / Marke
- Philips; Eindhoven (tubes international!); Miniwatt
- Jahr
- 1982 ??
- Kategorie
- NF-(Niederfrequenz-) Verstärker oder -Mixer
- Radiomuseum.org ID
- 285384
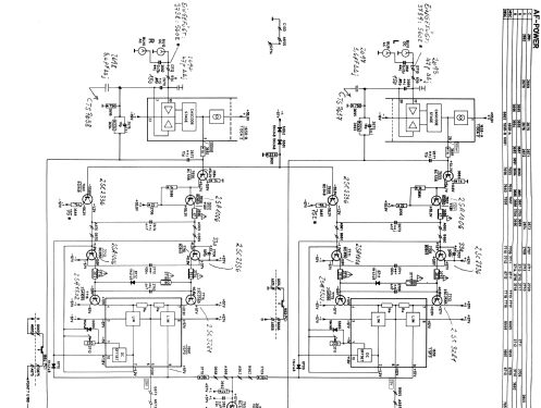
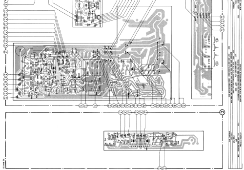
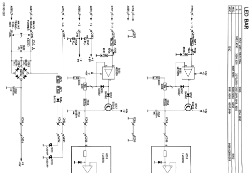
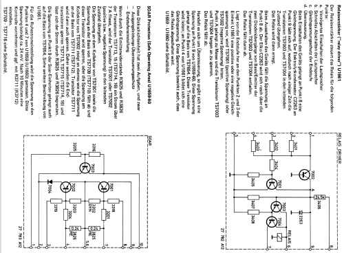
Klicken Sie auf den Schaltplanausschnitt, um diesen kostenlos als Dokument anzufordern.
- Anzahl Transistoren
- 24
- Halbleiter
- Hauptprinzip
- NF-Verstärkung
- Wellenbereiche
- - ohne
- Spezialitäten
- Hi-Fi-Gerät
- Betriebsart / Volt
- Wechselstromspeisung / 110; 127; 220; 240 Volt
- Lautsprecher
- - Dieses Modell benötigt externe(n) Lautsprecher.
- Belastbarkeit / Leistung
- 260 W (Qualität unbekannt)
- Material
- Metallausführung
- von Radiomuseum.org
- Modell: HiFi Stereo Power Amplifier F4238 /00 - Philips; Eindhoven tubes
- Form
- Regalgerät wie HiFi-Komponente für Bücherwand.
- Abmessungen (BHT)
- 420 x 101 x 320 mm / 16.5 x 4 x 12.6 inch
- Literaturnachweis
- -- Original-techn. papers.
- Autor
- Modellseite von Heiko zur Mühlen angelegt. Siehe bei "Änderungsvorschlag" für weitere Mitarbeit.
- Weitere Modelle
-
Hier finden Sie 5279 Modelle, davon 4427 mit Bildern und 3461 mit Schaltbildern.
Alle gelisteten Radios usw. von Philips; Eindhoven (tubes international!); Miniwatt