- Pays
- Pays-Bas
- Fabricant / Marque
- Philips; Eindhoven (tubes international!); Miniwatt
- Année
- 1964 ?
- Catégorie
- Autoradio, ev. avec cassette
- Radiomuseum.org ID
- 137945
Cliquez sur la vignette du schéma pour le demander en tant que document gratuit.
- No. de transistors
- 7
- Principe général
- Super hétérodyne (en général)
- Circuits accordés
- 6 Circuits MA (AM)
- Gammes d'ondes
- PO et GO
- Tension / type courant
- Accumulateur (par exemple pour autoradios ou radio) / 12 Volt
- Haut-parleur
- - Ce modèle nécessite des HP externes
- Matière
- Boitier métallique
- De Radiomuseum.org
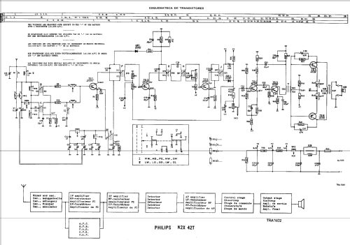
- Modèle: N2X42T - Philips; Eindhoven tubes
- Forme
- Chassis (pour intégration dans meuble)
- Remarques
- Dioden: 2x AA119
- Littérature
- -- Schematic
- Auteur
- Modèle crée par Júlio Branco. Voir les propositions de modification pour les contributeurs supplémentaires.
- D'autres Modèles
-
Vous pourrez trouver sous ce lien 5280 modèles d'appareils, 4428 avec des images et 3461 avec des schémas.
Tous les appareils de Philips; Eindhoven (tubes international!); Miniwatt