Portable Radio 1303/ 01
Philips; Eindhoven (tubes international!); Miniwatt
- Country
 - Netherlands
 
- Manufacturer / Brand
 - Philips; Eindhoven (tubes international!); Miniwatt
 
- Year
 - 1975 ??
 
- Category
 - Broadcast Receiver - or past WW2 Tuner
 
- Radiomuseum.org ID
 - 276501
 
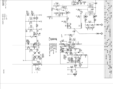
Click on the schematic thumbnail to request the schematic as a free document.
- Number of Transistors
 - 11
 
- Semiconductors
 
- Main principle
 - Superheterodyne (common); ZF/IF 452/10700 kHz; 3 AF stage(s)
 
- Wave bands
 - Broadcast, Short Wave plus FM or UHF.
 
- Power type and voltage
 - Line / Batteries (any type) / 110; 220 / 4 x 1,5 Volt
 
- Loudspeaker
 - Permanent Magnet Dynamic (PDyn) Loudspeaker (moving coil)
 
- Material
 - Plastics (no bakelite or catalin)
 
- from Radiomuseum.org
 - Model: Portable Radio 1303/ 01 - Philips; Eindhoven tubes
 
- Shape
 - Portable set > 8 inch (also usable without mains)
 
- Notes
 - 
        
Generic model based on service manual. Actual sets may have been distributed under one or more sub brands instead of - or in addition to the Philips brand.
Die hochgeladenen technischen Unterlagen beziehen sich möglicherweise nur auf Philips-Submarken. Es ist nicht sicher, dass es ein Modell mit der genannten Bezeichnung für die eigene Marke Philips gegeben hat. 
- Mentioned in
 - -- Original-techn. papers.
 
- Author
 - Model page created by Heiko zur Mühlen. See "Data change" for further contributors.
 
- Other Models
 - 
        
Here you find 5280 models, 4428 with images and 3461 with schematics for wireless sets etc. In French: TSF for Télégraphie sans fil.
All listed radios etc. from Philips; Eindhoven (tubes international!); Miniwatt