Radio-Recorder SX8694 /16
Philips; Eindhoven (tubes international!); Miniwatt
- País
- Holanda
- Fabricante / Marca
- Philips; Eindhoven (tubes international!); Miniwatt
- Año
- 1982 ?
- Categoría
- Radio - o Sintonizador pasado WW2
- Radiomuseum.org ID
- 212439
Haga clic en la miniatura esquemática para solicitarlo como documento gratuito.
- Numero de transistores
- 32
- Principio principal
- Superheterodino en general; ZF/IF 468/10700 kHz
- Gama de ondas
- OM, OL, OC y FM
- Especialidades
- Grabador y/o Reprod de cassetes
- Tensión de funcionamiento
- Red / Baterías o pilas / 110; 127; 220; 240 / 6 x 1,5 Volt
- Altavoz
- 2 Altavoces
- Potencia de salida
- 4 W (unknown quality)
- Material
- Plástico moderno (Nunca bakelita o catalina)
- de Radiomuseum.org
- Modelo: Radio-Recorder SX8694 /16 - Philips; Eindhoven tubes
- Forma
- Portátil > 20 cm (sin la necesidad de una red)
- Anotaciones
- Wave range:
LW: 150 - 260 kHz.
MW: 520 - 1605 kHz.
SW: 5,95 - 15,45 MHz.
FM: 87,5 - 108 MHz.
Output power: 2x 2 Watt at 8 ohm.
One semiconductor per type listed.
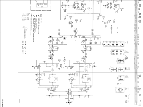
- Documentación / Esquemas (1)
- -- Original-techn. papers.
- Autor
- Modelo creado por Eduard Abfalterer. Ver en "Modificar Ficha" los participantes posteriores.
- Otros modelos
-
Donde encontrará 5279 modelos, 4427 con imágenes y 3461 con esquemas.
Ir al listado general de Philips; Eindhoven (tubes international!); Miniwatt