Sprint 12RN561
Philips Radios - Deutschland
- Country
- Germany
- Manufacturer / Brand
- Philips Radios - Deutschland
- Year
- 1966–1969
- Category
- Car Radio, perhaps also + sound player/recorder
- Radiomuseum.org ID
- 26641
-
- Brand: Deutsche Philips-Ges.
Click on the schematic thumbnail to request the schematic as a free document.
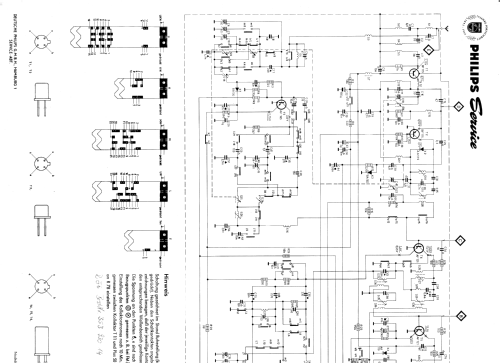
- Number of Transistors
- 11
- Main principle
- Superheterodyne (common); ZF/IF 460/10700 kHz
- Tuned circuits
- 8 AM circuit(s) 11 FM circuit(s)
- Wave bands
- Broadcast, Long Wave, Short Wave plus FM or UHF.
- Power type and voltage
- Storage Battery for all (e.g. for car radios and amateur radios) / 12 Volt
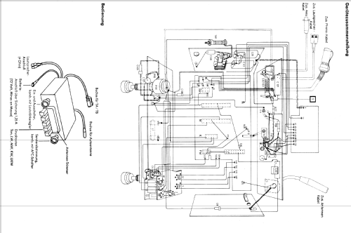
- Loudspeaker
- - This model requires external speaker(s).
- Material
- Metal case
- from Radiomuseum.org
- Model: Sprint 12RN561 - Philips Radios - Deutschland
- Shape
- Chassis only or for «building in»
- Dimensions (WHD)
- 178 x 46 x 92 mm / 7 x 1.8 x 3.6 inch
- Notes
- Abschaltbare automatische UKW-Scharfabstimmung; gespreiztes 49-m-Band; Anschluss für TA/TB und Automatikantenne; Betrieb von 2 Lautsprechern muss in Reihenschaltung erfolgen.
- Net weight (2.2 lb = 1 kg)
- 1 kg / 2 lb 3.2 oz (2.203 lb)
- External source of data
- erb
- Source of data
- Handbuch VDRG 1966/1967
- Other Models
-
Here you find 2548 models, 2260 with images and 1567 with schematics for wireless sets etc. In French: TSF for Télégraphie sans fil.
All listed radios etc. from Philips Radios - Deutschland