Stereo radio recorder AW7392 /05
Philips Malaysia; Petaling Jaya
- Pays
- Malaisie
- Fabricant / Marque
- Philips Malaysia; Petaling Jaya
- Année
- 1991/1992
- Catégorie
- Radio - ou tuner d'après la guerre 1939-45
- Radiomuseum.org ID
- 310855
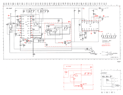
Cliquez sur la vignette du schéma pour le demander en tant que document gratuit.
- No. de transistors
- 6
- Principe général
- Super hétérodyne (en général); FI/IF 468/10700 kHz
- Gammes d'ondes
- PO, GO et FM
- Particularités
- Magnétophone à cassettes
- Tension / type courant
- Secteur et Piles (tous types). / 240 / 6 × 1,5 Volt
- Haut-parleur
- 2 HP
- Matière
- Plastique moderne (pas de bakélite, ni de catalin)
- De Radiomuseum.org
- Modèle: Stereo radio recorder AW7392 /05 - Philips Malaysia; Petaling
- Forme
- Portative > 20 cm (sans nécessité secteur)
- Dimensions (LHP)
- 506 x 144 x 144 mm / 19.9 x 5.7 x 5.7 inch
- Littérature
- -- Original prospect or advert
- Schémathèque (1)
- -- Original-techn. papers.
- Auteur
- Modèle crée par Wolfgang Bauer. Voir les propositions de modification pour les contributeurs supplémentaires.
- D'autres Modèles
-
Vous pourrez trouver sous ce lien 81 modèles d'appareils, 81 avec des images et 23 avec des schémas.
Tous les appareils de Philips Malaysia; Petaling Jaya