Tizian 24B351 Ch= E1
Philips Radios - Deutschland
- Country
- Germany
- Manufacturer / Brand
- Philips Radios - Deutschland
- Year
- 1975
- Category
- Television Receiver (TV) or Monitor
- Radiomuseum.org ID
- 103965
-
- Brand: Deutsche Philips-Ges.
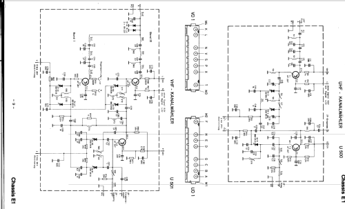
Click on the schematic thumbnail to request the schematic as a free document.
- Number of Tubes
- 1
- Valves / Tubes
- A61-120W
- Number of Transistors
- 22
- Semiconductors
- AF367 BC157 BC337 BD226 BD136 2N3055 BSS38 BC328 BF336 BU205 BD135 BF337 BF196 BF197 BR101 BY179 BAV21 BZX79 BA148 TAA550 1N4148 BB105 OA90 TBA750 TBA900 TBA720
- Main principle
- Superheterodyne (common)
- Wave bands
- Wave Bands given in the notes.
- Power type and voltage
- Alternating Current supply (AC) / 220 Volt
- Loudspeaker
- Permanent Magnet Dynamic (PDyn) Loudspeaker (moving coil) - elliptical
- Material
- Plastics (no bakelite or catalin)
- from Radiomuseum.org
- Model: Tizian 24B351 Ch= E1 - Philips Radios - Deutschland
- Shape
- Tablemodel, low profile (big size).
- Dimensions (WHD)
- 670 x 490 x 390 mm / 26.4 x 19.3 x 15.4 inch
- Notes
-
26 Dioden, 4 ICs. VHF-Bereiche I und III, UHF-Bereiche IV und V. Gerät mit Chassis E1 bestückt.
Each semiconductor listed once.
- Mentioned in
- -- Original-techn. papers.
- Author
- Model page created by Franz Born †. See "Data change" for further contributors.
- Other Models
-
Here you find 2547 models, 2259 with images and 1565 with schematics for wireless sets etc. In French: TSF for Télégraphie sans fil.
All listed radios etc. from Philips Radios - Deutschland