Vacuum Tube Multimeter (Röhrenvoltmeter) GM7635/01
Philips; Eindhoven (tubes international!); Miniwatt
- Paese
- Olanda
- Produttore / Marca
- Philips; Eindhoven (tubes international!); Miniwatt
- Anno
- 1952
- Categoria
- Strumento da laboratorio
- Radiomuseum.org ID
- 78252
Clicca sulla miniatura dello schema per richiederlo come documento gratuito.
- Numero di tubi
- 3
- Gamme d'onda
- - senza
- Tensioni di funzionamento
- Alimentazione a corrente alternata (CA) / 110; 125; 145; 200; 220; 245 Volt
- Altoparlante
- - - Nessuna uscita audio.
- Materiali
- Mobile di metallo
- Radiomuseum.org
- Modello: Vacuum Tube Multimeter GM7635/01 - Philips; Eindhoven tubes
- Forma
- Soprammobile verticale (sviluppato in altezza; no cattedrale, sin decorazioni).
- Dimensioni (LxAxP)
- 170 x 250 x 120 mm / 6.7 x 9.8 x 4.7 inch
- Annotazioni
-
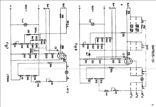
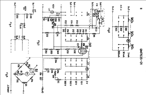
Transportables Röhren-Vielfach-Messinstrument. Messbereiche: 1 bis 300 V~ (50 Hz bis 100 MHz); 1 bis 1000 V-; 0 bis 300 mA. Die Röhre EA50 befindet sich im Messkopf. Original ist der Spannungsstabilisator eine 4687. Nur bei Umsockelung wäre eine Röhre 108C1 auch möglich.
Sie also the model from Philips France, maybe built in Eindhoven.
- Peso netto
- 4.7 kg / 10 lb 5.6 oz (10.352 lb)
- Prezzo nel primo anno
- 495.00 DM
- Autore
- Modello inviato da Bernd P. Kieck. Utilizzare "Proponi modifica" per inviare ulteriori dati.
- Altri modelli
-
In questo link sono elencati 5279 modelli, di cui 4427 con immagini e 3461 con schemi.
Elenco delle radio e altri apparecchi della Philips; Eindhoven (tubes international!); Miniwatt
Collezioni
Il modello Vacuum Tube Multimeter (Röhrenvoltmeter) fa parte delle collezioni dei seguenti membri.
Letteratura
Il modello Vacuum Tube Multimeter (Röhrenvoltmeter) è documentato nella seguente letteratura.
Discussioni nel forum su questo modello: Philips; Eindhoven: Vacuum Tube Multimeter GM7635/01
Argomenti: 2 | Articoli: 13
1 philips: Röhrenbestückung EF 6 N beim Röhrenvoltmeter GM7635
Gerne möchte ich meine offene Frage vom April 2012 noch mal stellen: Warum wurde von Philipps bei der Originalbestückung die Röhrentype EF6 N verwendet? Mir ist kein Unterschied zur EF 6 bekannt. Was unterscheidet die EF 6 N von der EF 6 ? Freue mich auf Ihre Antwort Gruß Wolfram Zylka |
Wolfram Zylka, 11.Feb.18
Warum wurde von Philipps bei der Originalbestückung die Röhrentype EF6 N verwendet? Mir ist kein Unterschied zur EF 6 bekannt. Was unterscheidet die EF 6 N von der EF 6 ?
Freue mich auf Ihre Antwort
Gruß
Wolfram Zylka
Wolfram Zylka, 23.Apr.12