- Country
- United States of America (USA)
- Manufacturer / Brand
- Phillips 66, Petroleum Co.
- Year
- 1950 ??
- Category
- Broadcast Receiver - or past WW2 Tuner
- Radiomuseum.org ID
- 51645
-
- Brand: Woolaroc
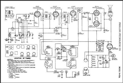
Click on the schematic thumbnail to request the schematic as a free document.
- Number of Tubes
- 6
- Main principle
- Superheterodyne (common); ZF/IF 455 kHz; 2 AF stage(s)
- Tuned circuits
- 6 AM circuit(s)
- Wave bands
- Broadcast only (MW).
- Details
- Record Player (perh.Changer)
- Power type and voltage
- Alternating Current supply (AC) / 105 - 125 Volt
- Loudspeaker
- Permanent Magnet Dynamic (PDyn) Loudspeaker (moving coil)
- from Radiomuseum.org
- Model: 3-63A - Phillips 66, Petroleum Co.
- External source of data
- Ernst Erb
- Circuit diagram reference
- Rider's Perpetual, Volume 18 = 1949 and before
- Other Models
-
Here you find 36 models, 20 with images and 33 with schematics for wireless sets etc. In French: TSF for Télégraphie sans fil.
All listed radios etc. from Phillips 66, Petroleum Co.