- Produttore / Marca
- Phillips 66, Petroleum Co.
- Anno
- 1947
- Categoria
- Radio (o sintonizzatore del dopoguerra WW2)
- Radiomuseum.org ID
- 51648
-
- Brand: Woolaroc
Clicca sulla miniatura dello schema per richiederlo come documento gratuito.
- Numero di tubi
- 7
- Principio generale
- Supereterodina (in generale); ZF/IF 455/10700 kHz
- Gamme d'onda
- Onde medie (OM) e MF (FM).
- Particolarità
- Cambiadischi
- Tensioni di funzionamento
- Alimentazione a corrente alternata (CA) / 105 - 125 Volt
- Altoparlante
- AP magnetodinamico (magnete permanente e bobina mobile) / Ø 7.5 inch = 19.1 cm
- Materiali
- Mobile in legno
- Radiomuseum.org
- Modello: 3-71A - Phillips 66, Petroleum Co.
- Forma
- Console di qualsiasi tipo
- Annotazioni
- Dry Rectifier.
Photofact see under Trade name: Woolaroc.
- Fonte esterna dei dati
- Ernst Erb
- Fonte dei dati
- The Radio Collector's Directory and Price Guide 1921 - 1965
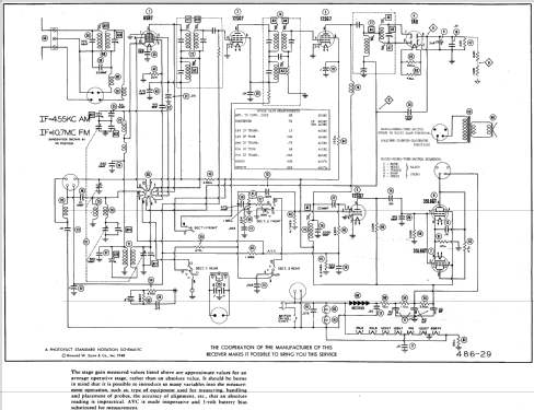
- Riferimenti schemi
- Rider's Perpetual, Volume 17 = 1948 and before
- Letteratura / Schemi (1)
- Photofact Folder, Howard W. SAMS (Date 3-48, Set 36, Folder 29)
- Altri modelli
-
In questo link sono elencati 36 modelli, di cui 20 con immagini e 33 con schemi.
Elenco delle radio e altri apparecchi della Phillips 66, Petroleum Co.