- Country
- Canada
- Manufacturer / Brand
- Electrohome (Dominion Industries, ex Phonola); Kitchener (Ontario)
- Year
- 1932/1933
- Category
- Broadcast Receiver - or past WW2 Tuner
- Radiomuseum.org ID
- 176729
Click on the schematic thumbnail to request the schematic as a free document.
- Number of Tubes
- 7
- Main principle
- Superhet with RF-stage; ZF/IF 175 kHz
- Tuned circuits
- 7 AM circuit(s)
- Wave bands
- Broadcast only (MW).
- Power type and voltage
- Alternating Current supply (AC) / 110 Volt
- Loudspeaker
- Electro Magnetic Dynamic LS (moving-coil with field excitation coil)
- from Radiomuseum.org
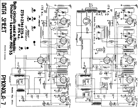
- Model: 274-1 - Electrohome Dominion
- Notes
- Tow speakers.
The "274-1" chassis is used in Serenader, Dictator and Phonola models.
- Circuit diagram reference
- Radio College of Canada
- Mentioned in
- RCC Phonola Page 7
- Author
- Model page created by Hans-Joachim Korn † 16.11.15. See "Data change" for further contributors.
- Other Models
-
Here you find 897 models, 284 with images and 808 with schematics for wireless sets etc. In French: TSF for Télégraphie sans fil.
All listed radios etc. from Electrohome (Dominion Industries, ex Phonola); Kitchener (Ontario)