Little Maestro Post-War AC
Pilot Radio Ltd.; London
- Country
- Great Britain (UK)
- Manufacturer / Brand
- Pilot Radio Ltd.; London
- Year
- 1945
- Category
- Broadcast Receiver - or past WW2 Tuner
- Radiomuseum.org ID
- 119705
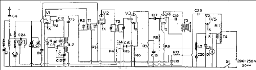
Click on the schematic thumbnail to request the schematic as a free document.
- Number of Tubes
- 5
- Main principle
- Superheterodyne (common); ZF/IF 451 kHz; 2 AF stage(s)
- Wave bands
- Broadcast (MW) and Long Wave.
- Power type and voltage
- Alternating Current supply (AC) / 200-250 Volt
- Loudspeaker
- Permanent Magnet Dynamic (PDyn) Loudspeaker (moving coil)
- Material
- Bakelite case
- from Radiomuseum.org
- Model: Little Maestro Post-War AC - Pilot Radio Ltd.; London
- Shape
- Tablemodel without push buttons, Mantel/Midget/Compact up to 14
- Notes
- Main differences from pre-war model are permanent magnet speaker, valve line-up. Same appearance as pre-war models. Wooden case also produced. Price £11 17s. 6d plus tax.
- Price in first year of sale
- 12.00 GBP
- Literature/Schematics (1)
- Trader Sheet 809
- Author
- Model page created by Keith Staines. See "Data change" for further contributors.
- Other Models
-
Here you find 133 models, 88 with images and 97 with schematics for wireless sets etc. In French: TSF for Télégraphie sans fil.
All listed radios etc. from Pilot Radio Ltd.; London