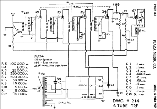
6 Tube TRF
Plaza Music Co; New York
- Country
- United States of America (USA)
- Manufacturer / Brand
- Plaza Music Co; New York
- Year
- 1932 ?
- Category
- Broadcast Receiver - or past WW2 Tuner
- Radiomuseum.org ID
- 52136
-
- alternative name: Fine-Arts
Click on the schematic thumbnail to request the schematic as a free document.
- Number of Tubes
- 6
- Main principle
- TRF (Tuned-Radio-Frequency but use of regeneration unknown)
- Tuned circuits
- 4 AM circuit(s)
- Wave bands
- Broadcast only (MW).
- Power type and voltage
- Alternating Current supply (AC) / 110 Volt
- Loudspeaker
- Permanent or electro-dynamic (moving coil), system not known yet.
- from Radiomuseum.org
- Model: 6 Tube TRF - Plaza Music Co; New York
- Shape
- Tablemodel without push buttons, Mantel/Midget/Compact up to 14
- Price in first year of sale
- 69.00 $
- External source of data
- Ernst Erb
- Source of data
- Radio Collector`s Guide 1921-1932
- Circuit diagram reference
- Rider's Perpetual, Volume 3 = 1933 and before
- Other Models
-
Here you find 34 models, 8 with images and 8 with schematics for wireless sets etc. In French: TSF for Télégraphie sans fil.
All listed radios etc. from Plaza Music Co; New York