Kleiner Eichgenerator GM1000
Plisch; Hans H.; Viernheim, Hessen
- Hersteller / Marke
- Plisch; Hans H.; Viernheim, Hessen
- Jahr
- 1960 ??
- Kategorie
- Service- oder Labor-Ausrüstung
- Radiomuseum.org ID
- 146634
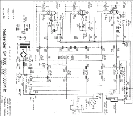
Klicken Sie auf den Schaltplanausschnitt, um diesen kostenlos als Dokument anzufordern.
- Anzahl Röhren
- 3
- Wellenbereiche
- Wellen in den Bemerkungen.
- Betriebsart / Volt
- Wechselstromspeisung / 220 Volt
- Lautsprecher
- - - Kein Ausgang für Schallwiedergabe.
- Material
- Metallausführung
Die GFGF Zeitschrift Funkgeschichte bringt interessante Artikel zu Radios, Funkwesen und Medien. Bei Radiomuseum.org finden Sie die vollständigen Hefte früherer Ausgaben als PDF zum Download.
- von Radiomuseum.org
- Modell: Kleiner Eichgenerator GM1000 - Plisch; Hans H.; Viernheim,
- Form
- Tischmodell, Zusatz nicht bekannt - allgemein.
- Abmessungen (BHT)
- 295 x 215 x 195 mm / 11.6 x 8.5 x 7.7 inch
- Bemerkung
- Kleiner Eichgenerator GM1000.
Der Generator arbeitet von 300-1000 MHz, aufgeteilt in drei Stufen: 300-460 MHz; 460-680 MHz; 680-1000 MHz.
- Nettogewicht
- 7 kg / 15 lb 6.7 oz (15.419 lb)
- Datenherkunft
- - - Data from my own collection
- Autor
- Modellseite von Uwe Müller angelegt. Siehe bei "Änderungsvorschlag" für weitere Mitarbeit.
- Weitere Modelle
-
Hier finden Sie 19 Modelle, davon 16 mit Bildern und 6 mit Schaltbildern.
Alle gelisteten Radios usw. von Plisch; Hans H.; Viernheim, Hessen
Sammlungen
Das Modell Kleiner Eichgenerator befindet sich in den Sammlungen folgender Mitglieder.