Generador RF AM/FM 213-B
Promax; Barcelona
- Paese
- Spagna
- Produttore / Marca
- Promax; Barcelona
- Anno
- 1977
- Categoria
- Strumento da laboratorio
- Radiomuseum.org ID
- 124235
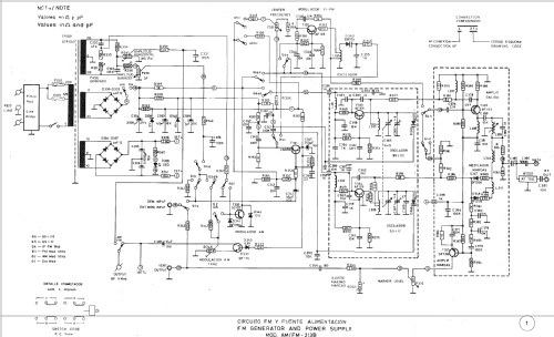
Clicca sulla miniatura dello schema per richiederlo come documento gratuito.
- Numero di transistor
- 12
- Semiconduttori
- AC151 AF106 BF173 BF234 SC107 SF173 F12 Diode_LED SFD104 SD160 BA121 BB105 BZX45 OA90 MC1445 2N696
- Gamme d'onda
- Gamme d'onda nelle note.
- Tensioni di funzionamento
- Alimentazione a corrente alternata (CA) / 125; 220 Volt
- Altoparlante
- - - Nessuna uscita audio.
- Materiali
- Mobile di metallo
- Radiomuseum.org
- Modello: Generador RF AM/FM 213-B - Promax; Barcelona
- Forma
- Soprammobile basso, con andamento orizzontale (grosse dimensioni).
- Dimensioni (LxAxP)
- 350 x 185 x 265 mm / 13.8 x 7.3 x 10.4 inch
- Annotazioni
- AM-Generator: 140kHz-40MHz, FI/ZF sweep 400-500kHz.
FM-Generator: 85-110MHz, FI/ZF sweep 9,5-12MHz.
Output max. 100mV, Modulation 1kHz,
Sweepfreq/Wobbelfrequenz 50Hz.
Generador de RF para ajustes de radios de OM, OL OC y FM.
- Peso netto
- 6.150 kg / 13 lb 8.7 oz (13.546 lb)
- Fonte dei dati
- - - Manufacturers Literature
- Bibliografia
- Anuncio Revista Española de Electrónica 04/1973
- Letteratura / Schemi (1)
- -- Original-techn. papers.
- Autore
- Modello inviato da Bernardo Diaz. Utilizzare "Proponi modifica" per inviare ulteriori dati.
- Altri modelli
-
In questo link sono elencati 197 modelli, di cui 179 con immagini e 71 con schemi.
Elenco delle radio e altri apparecchi della Promax; Barcelona
Collezioni
Il modello Generador RF fa parte delle collezioni dei seguenti membri.