R.M.S. RF Voltmeter 9300F RACAL-DANA French version
Racal Engineering / Instruments / Electronics Ltd., Bracknell
- País
- Gran Bretaña (GB)
- Fabricante / Marca
- Racal Engineering / Instruments / Electronics Ltd., Bracknell
- Año
- 1984 ??
- Categoría
- Aparato de medida y servicio (Equipo de laboratorio).
- Radiomuseum.org ID
- 270350
Haga clic en la miniatura esquemática para solicitarlo como documento gratuito.
- Numero de transistores
- Hay semiconductores.
- Semiconductores
- Gama de ondas
- Bandas de recepción puestas en notas.
- Tensión de funcionamiento
- Red: Corriente alterna (CA, Inglés = AC) / 110-120; 220-240 Volt
- Altavoz
- - - No hay salida de sonido.
- Material
- Metálico
- de Radiomuseum.org
- Modelo: R.M.S. RF Voltmeter 9300F [RACAL-DANA French version] - Racal Engineering /
- Forma
- Sobremesa de cualquier forma, detalles no conocidos.
- Ancho, altura, profundidad
- 240 x 150 x 330 mm / 9.4 x 5.9 x 13 inch
- Anotaciones
-
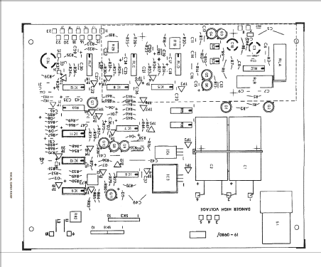
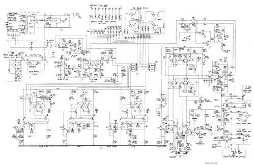
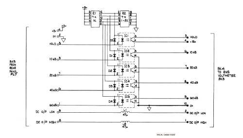
True RMS RF Voltmeter with 14 half-decade ranges spanning 100 microvolts to 300V full scale. Bandwidth at -3dB better than 5Hz to 20MHz.
Option for remote range switching. Accuracy is complex function of selected range and frequency, but above 300 microvolts the typical accuracy is +/- 1% of the range or 10% of the reading if this is greater.This version was produced for French Army (see labels).
- Peso neto
- 2.5 kg / 5 lb 8.1 oz (5.507 lb)
- Mencionado en
- - - Manufacturers Literature (User and Service manual)
- Autor
- Modelo creado por Damian Roter. Ver en "Modificar Ficha" los participantes posteriores.
- Otros modelos
-
Donde encontrará 113 modelos, 62 con imágenes y 18 con esquemas.
Ir al listado general de Racal Engineering / Instruments / Electronics Ltd., Bracknell
Colecciones
El modelo R.M.S. RF Voltmeter es parte de las colecciones de los siguientes miembros.