- Pays
- Etats-Unis
- Fabricant / Marque
- Radio Receptor Co. Inc.; New York
- Année
- 1931 ?
- Catégorie
- Amplificateur BF ou mélangeur BF
- Radiomuseum.org ID
- 52665
Cliquez sur la vignette du schéma pour le demander en tant que document gratuit.
- No. de tubes
- 5
- Gammes d'ondes
- - sans
- Tension / type courant
- Alimentation Courant Alternatif (CA) / 110 Volt
- Haut-parleur
- - Pour casque ou amplificateur BF
- De Radiomuseum.org
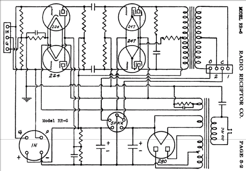
- Modèle: RR-6 - Radio Receptor Co. Inc.; New
- Remarques
- Push-Pull input stage and Push-Pull output stage.
- Source du schéma
- Rider's Perpetual, Volume 3 = 1933 and before
- Auteur
- Modèle crée par Peter Rutishauser. Voir les propositions de modification pour les contributeurs supplémentaires.
- D'autres Modèles
-
Vous pourrez trouver sous ce lien 28 modèles d'appareils, 5 avec des images et 11 avec des schémas.
Tous les appareils de Radio Receptor Co. Inc.; New York