Automatic II A2 avec oeil magique
Miracle, Radio-Lyon, SORAL (S.O.R.A.L.); Paris, Saint-Gildas-des-Bois
- Country
- France
- Manufacturer / Brand
- Miracle, Radio-Lyon, SORAL (S.O.R.A.L.); Paris, Saint-Gildas-des-Bois
- Year
- 1938/1939
- Category
- Broadcast Receiver - or past WW2 Tuner
- Radiomuseum.org ID
- 100194
-
- Brand: miracle
Click on the schematic thumbnail to request the schematic as a free document.
- Number of Tubes
- 7
- Main principle
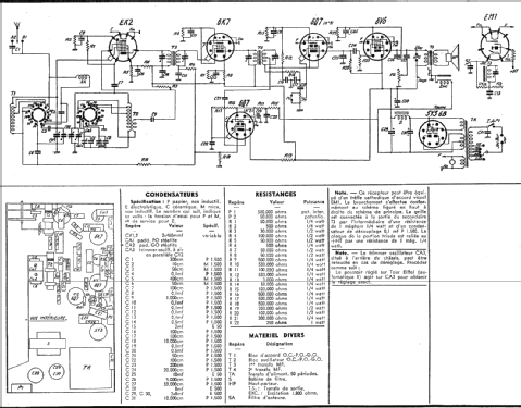
- Superheterodyne (common); ZF/IF 464 kHz; 2 AF stage(s)
- Tuned circuits
- 6 AM circuit(s)
- Wave bands
- Broadcast, Long Wave and Short Wave.
- Power type and voltage
- Alternating Current supply (AC) / 110; 130; 150; 220; 250 Volt
- Loudspeaker
- Electro Magnetic Dynamic LS (moving-coil with field excitation coil) / Ø 21 cm = 8.3 inch
- Power out
- 4 W (unknown quality)
- Material
- Wooden case
- from Radiomuseum.org
- Model: Automatic II A2 [avec oeil magique] - Miracle, Radio-Lyon, SORAL S.O
- Shape
- Tablemodel, low profile (big size).
- Dimensions (WHD)
- 470 x 330 x 270 mm / 18.5 x 13 x 10.6 inch
- Notes
-
3 gammes d'ondes : OC de 18 à 55 m, PO de 190 à 580 m, et GO de 1000 à 2000 m. Cadran automatique sur 24 stations par poussoirs et secteur denté. Anti-fading. Prise pick-up. Lampes de cadran : 1x 7 V / 0.5 A.
Ébénisterie noyer verni fumé.
Alimentation secteur alternatif 50 périodes, modèle spécial pour 25 périodes (supplément 100 Fr).
Ce modèle a été disponible avec ou sans oeil magique EM1.
- Circuit diagram reference
- La Documentation du Revendeur - Radio
- Author
- Model page created by Peter Hoddow. See "Data change" for further contributors.
- Other Models
-
Here you find 54 models, 48 with images and 13 with schematics for wireless sets etc. In French: TSF for Télégraphie sans fil.
All listed radios etc. from Miracle, Radio-Lyon, SORAL (S.O.R.A.L.); Paris, Saint-Gildas-des-Bois