Balada S582A
Radio Popular; București - Bucharest
- Paese
- Romania
- Produttore / Marca
- Radio Popular; București - Bucharest
- Anno
- 1958/1959
- Categoria
- Radio (o sintonizzatore del dopoguerra WW2)
- Radiomuseum.org ID
- 156193
Clicca sulla miniatura dello schema per richiederlo come documento gratuito.
- Numero di tubi
- 4
- Principio generale
- Supereterodina (in generale); ZF/IF 475 kHz
- N. di circuiti accordati
- 6 Circuiti Mod. Amp. (AM)
- Gamme d'onda
- Onde medie (OM), lunghe (OL) e corte (OC).
- Tensioni di funzionamento
- 110; 120; 150; 185; 220 Volt
- Altoparlante
- AP magnetodinamico (magnete permanente e bobina mobile) / Ø 12.5 cm = 4.9 inch
- Potenza d'uscita
- 1.5 W (qualità ignota)
- Materiali
- Mobile in legno
- Radiomuseum.org
- Modello: Balada S582A - Radio Popular; București -
- Forma
- Soprammobile con qualsiasi forma (non saputo).
- Dimensioni (LxAxP)
- 495 x 335 x 200 mm / 19.5 x 13.2 x 7.9 inch
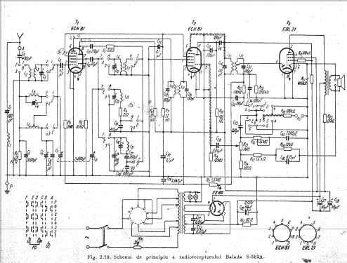
- Letteratura / Schemi (1)
- Scheme de Radioreceptoare vol.I Editura Tehnica 1973
- Autore
- Modello inviato da Francisc VISKY. Utilizzare "Proponi modifica" per inviare ulteriori dati.
- Altri modelli
-
In questo link sono elencati 44 modelli, di cui 31 con immagini e 36 con schemi.
Elenco delle radio e altri apparecchi della Radio Popular; București - Bucharest
Collezioni
Il modello Balada fa parte delle collezioni dei seguenti membri.