5R-12R Ch= 5D166
Raytheon Mfg. Co.; Cambridge, MA
- Land
- USA
- Hersteller / Marke
- Raytheon Mfg. Co.; Cambridge, MA
- Jahr
- 1955 ?
- Kategorie
- Rundfunkempfänger (Radio - oder Tuner nach WW2)
- Radiomuseum.org ID
- 141237
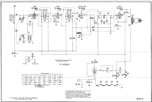
Klicken Sie auf den Schaltplanausschnitt, um diesen kostenlos als Dokument anzufordern.
- Anzahl Röhren
- 5
- Hauptprinzip
- Superhet allgemein; ZF/IF 455 kHz; 2 NF-Stufe(n)
- Anzahl Kreise
- 6 Kreis(e) AM
- Wellenbereiche
- Mittelwelle, keine anderen.
- Betriebsart / Volt
- Allstromgerät / AC/DC 115=110-120 Volt
- Lautsprecher
- Dynamischer LS, keine Erregerspule (permanentdynamisch) / Ø 4 inch = 10.2 cm
- Material
- Plastikgehäuse (nicht Bakelit), Thermoplast
- von Radiomuseum.org
- Modell: 5R-12R Ch= 5D166 - Raytheon Mfg. Co.; Cambridge,
- Form
- Tischgerät ohne Drucktasten, bis 35 cm Breite (Kleingerät, meist dekorativ. Nur für Netzbetrieb, doch Transportgriff möglich).
- Bemerkung
-
Raytheon model 5R-12R is an AC-DC operated AM superheterodyne receiver.
- Literatur/Schema (1)
- Photofact Folder, Howard W. SAMS (Date 1-56, Set 303, Folder 11)
- Autor
- Modellseite von Egon Penker angelegt. Siehe bei "Änderungsvorschlag" für weitere Mitarbeit.
- Weitere Modelle
-
Hier finden Sie 339 Modelle, davon 155 mit Bildern und 255 mit Schaltbildern.
Alle gelisteten Radios usw. von Raytheon Mfg. Co.; Cambridge, MA
Sammlungen
Das Modell 5R-12R befindet sich in den Sammlungen folgender Mitglieder.