C-2111A Ch= 21T1
Raytheon Mfg. Co.; Cambridge, MA
- Produttore / Marca
- Raytheon Mfg. Co.; Cambridge, MA
- Anno
- 1952 ?
- Categoria
- Televisore (TV) / Monitor
- Radiomuseum.org ID
- 360270
Clicca sulla miniatura dello schema per richiederlo come documento gratuito.
- Numero di tubi
- 18
- Valvole
- 6BK7 12AT7 6CB6 6CB6 6CB6 6AH6 6AU6 6AL5 6AV6 25L6GT 6BE6 12SN7GT 6AL5 6SN7GT 25BQ6GT 6AX4GT 1X2A 17HP4
- Principio generale
- Supereterodina con stadio RF
- Gamme d'onda
- Gamme d'onda nelle note.
- Tensioni di funzionamento
- Alimentazione a corrente alternata (CA) / 60Hz, 115V=110-120 Volt
- Altoparlante
- AP magnetodinamico (magnete permanente e bobina mobile) / Ø 8 inch = 20.3 cm
- Materiali
- Plastica (non bachelite o catalina)
- Radiomuseum.org
- Modello: C-2111A Ch= 21T1 - Raytheon Mfg. Co.; Cambridge,
- Forma
- Soprammobile con qualsiasi forma (non saputo).
- Annotazioni
-
Raytheon model C-2111A is a 17” b/w TV with US standard VHF tuner channels 2 thru 13. Equipped with chassis 21T1, VHF tuner 201-21192 and picture tube 17HP4.
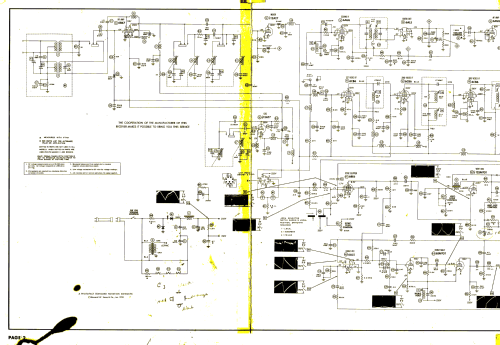
- Letteratura / Schemi (1)
- Photofact Folder, Howard W. SAMS (Set 189, folder 14, dated 12-52)
- Autore
- Modello inviato da Dirk Taekels. Utilizzare "Proponi modifica" per inviare ulteriori dati.
- Altri modelli
-
In questo link sono elencati 339 modelli, di cui 155 con immagini e 255 con schemi.
Elenco delle radio e altri apparecchi della Raytheon Mfg. Co.; Cambridge, MA